Реферат: Детали машин
.
Суммарные реакции:
![]()
![]()
![]()
Намечаем радиальные шариковые подшипники 304 (табл. П3)[1]:
;
;
; С=1939 кН и С0=7,8
кН.
Эквивалентная нагрузка по формуле (9.3)[1]
,
в которой радиальная нагрузка Pr1=500H; осевая нагрузка Pa=0H; V=1 (вращается внутреннее кольцо); Кб=1 (табл. 7.2)[1]; Кт=1.05.
Отношения
;
Отношение
.
Расчетная долговечность, млн. об. :

Расчетная долговечность, ч,
.
Ведомый вал.Из первого этапа
компоновки
и
;![]()
![]()
Реакции опор:
В плоскости XZ
![]()
![]()
Проверка:
![]()
В плоскости YZ
![]()
![]()
Проверка:
![]()
Суммарные реакции:
;
.
Выбираем подшипник по более нагруженной опоре 3.
Шариковые радиальные подшипники 307 средней серии(см.П3):
;
;
; С=33,2 кН и С0=18
кН.
Отношения
;
Отношение
![]()
Расчетная долговечность, млн. об. :

Расчетная долговечность, ч,
;
Для
зубчатых редукторов ресурс работы подшипников принимают от 36 000 ч (таков
ресурс самого редуктора) до 10 000 ч (минимально допустимая долговечность подшипника).
В нашем случае подшипники ведомого вала 304 имеют ресурс
, а подшипники ведомого вала
307 имеют
.
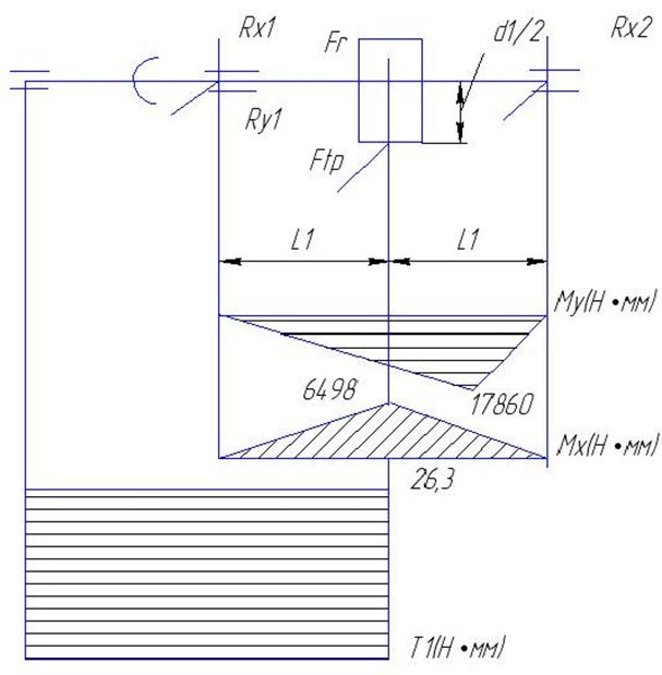
Строим эпюры:
Ведущий вал:

Ведомый вал:

10. Второй этап компоновки редуктора
Второй этап компоновки имеет целью конструктивно оформить зубчатые колеса, валы, корпус, подшипниковые узлы и подготовить данные для проверки прочности валов и некоторых других деталей.
Вычерчиваем шестерню и колесо по конструктивным размерам, найденным ранее. Шестерню выполняем за одно целое с валом.
Конструируем узел ведущего вала:
а)
наносим осевые линии, удаленные от середины редуктора на расстояние
. Используя эти осевые
линии, вычерчиваем в разрезе подшипники качения;
б) между торцами подшипников и внутренней поверхностью стенки корпуса вычерчиваем мазеудерживающие кольца. Их концы должны выступать внутрь корпуса на 1-2мм от внутренней стенки. Тогда эти кольца будут выполнять одновременно роль маслоотбрасывающих колец. Для уменьшения числа ступеней вала кольца устанавливаем на тот же диаметр, что и подшипники (Ø40мм). Фиксация их в осевом направлении осуществляется заплечиками вала и торцами внутренних колец подшипников;
в) вычерчиваем крышки подшипников с уплотнительными прокладками (толщиной 1мм) и болтами. Болт условно заводится в плоскость чертежа, о чем говорит вырыв на плоскости разъема.
Используем фетровые уплотнения, т. к. допускаемое значение скорости <5м/с.
г) переход вала Ø40мм к присоединительному концу Ø32мм выполняют на расстоянии 10-15мм от торца крышки подшипника.
Длина присоединительного конца вала Ø32мм определяется длиной шкива.
Аналогично конструируем узел ведомого вала.
На ведущем и ведомом валах применяем шпонки призматические со скругленными торцами по ГОСТ 23360-78. Вычерчиваем шпонки, принимая их длины на 5-10мм меньше длин ступиц.
Непосредственным измерением уточняем расстояния между опорами и расстояния, определяющие положение зубчатых колес относительно опор. При значительном изменении этих расстояний уточняем реакции опор и вновь проверяем долговечность подшипников.
11. Проверка прочности шпоночных соединений
Шпонки призматические со скругленными торцами. Размеры сечений шпонок и пазов и длины шпонок по ГОСТ 23360-78.
Материал шпонок - сталь 45 нормализованная.
Напряжение смятия и условие прочности по формуле (6.22)[1]
![]()
Допускаемое
напряжение смятия при стальной ступице
, при чугунной ступице ![]()
Ведущий вал
;
; ![]()
![]()
![]()
Условие
выполнено.
Ведомый вал
;
;
; длина шпонки
; момент на ведущем валу
;
![]()
Условие
выполнено.
12. Уточненный расчет валов
Примем, что нормальные напряжения от изгиба измеряются по симметричному циклу, а касательные от кручения – по отнулевому (пульсирующему).
Уточненный расчет состоит в определении коэффициентов запаса прочности n опасных сечений и сравнении их с требуемыми (допускаемыми) значениями [n]. Прочность соблюдена при n³[n].
Будем производить расчет для предположительно опасных сечений каждого из валов.
Ведущий вал.
Материал вала тот же, что и для шестерни (шестерня выполнена заодно с валом), т.е. сталь 45, термообработка ¾ улучшение.
По
табл. 3.3 при
диаметре заготовки до 90мм (в нашем случае da1=78,96 мм) среднее
значение ![]()
Предел выносливости при симметричном цикле изгиба
.
Предел выносливости при симметричном цикле касательных напряжений
![]()
Сечение А–А. В этом сечении при передаче вращающего момента от электродвигателя через муфту возникают только касательные напряжения. Концентрацию напряжений вызывает наличие шпоночной канавки.
Коэффициент запаса прочности
,
где амплитуда и среднее напряжение отнулевого цикла
.
При d=32 мм; b=10 мм; t1=5 мм
;
.
Принимаем
,
и
.
После подстановки
.
Такой большой коэффициент запаса прочности объясняется тем, что диаметр вала был увеличен при конструировании для согласования по размеру с диаметром вала электродвигателя.
По той же причине проверять прочность в сечениях Б–Б и В–В нет необходимости.
Ведомый вал.
Материал вала – сталь 45 нормализованная,
.
Пределы выносливости
и
.
Сечение А–А.
Изгибающий момент в горизонтальной плоскости
;
изгибающий момент в вертикальной плоскости
;
суммарный изгибающий момент в сечении А–А
.
Момент
сопротивления кручению (
;
;
)
.
Момент сопротивления изгибу
.
Амплитуда и среднее напряжение цикла касательных напряжений
.
Амплитуда нормальных напряжений изгиба
;
среднее напряжение
.
Коэффициент запаса прочности по нормальным напряжениям
.
Коэффициент запаса прочности по касательным напряжениям
.
Результирующий коэффициент запаса прочности для сечения А–А
.
13. Посадки зубчатого колеса, звездочки и подшипников
Посадки назначаем в соответствии с указаниями, данными в табл. 8.11[1].
Посадка зубчатого колеса на вал Н7/р6 по ГОСТ 25347-82.
Посадка звездочки цепной передачи на вал редуктора Н7/h6.
Шейки валов под подшипники выполняем с отклонением вала к6. Отклонения отверстий в корпусе под наружные кольца по Н7.
Остальные посадки назначаем, пользуясь данными табл. 8.11[1].
14. Выбор сорта масла
Смазка
зубчатого зацепления производится окунанием зубчатого колеса в масло, заливаемое
внутрь корпуса до уровня, обеспечивающего погружение колеса примерно на 10 мм. Объем масляной ванны Vм
определяем из расчета 0,25 дм3 масла на 1 кВт передаваемой мощности:
.
По
табл. 10.8[1] устанавливаем вязкость масла. При скорости
рекомендуемая вязкость
.Принимаем масло
индустриальное И-30А по ГОСТ 29799-75.
Подшипники смазываем пластичной смазкой, которую закладывают в подшипниковые камеры при сборке. Периодически смазку пополняют через пресс-масленки. Сорт смазки – УТ-1.
15. Сборка редуктора
Перед сборкой внутреннюю полость корпуса редуктора тщательно очищают и покрывают маслостойкой краской.
Сборку производят в соответствии с чертежом общего вида редуктора, начиная с узлов валов:
на ведущий вал насаживают мазеудерживающие кольца и шарикоподшипники, предварительно нагретые в масле до 80-100° С;
в ведомый вал закладывают шпонку 18´11´50 и напрессовывают зубчатое колесо до упора в бурт вала; затем надевают распорную втулку, мазеудерживающие кольца и устанавливают шарикоподшипники, предварительно нагретые в масле.
Собранные валы укладывают в основание корпуса редуктора и надевают крышку корпуса, покрывая предварительно поверхности стыка корпуса и крышки спиртовым лаком. Для центровки устанавливают крышку на корпус с помощью двух конических штифтов; затягивают болты, крепящие крышку к корпусу.
После этого на ведомый вал надевают распорное кольцо, в подшипниковые камеры закладывают пластичную смазку, ставят крышки подшипников с комплектом металлических прокладок; регулируют тепловой зазор, подсчитанный по формуле (7.1)[1]. Перед постановкой сквозных крышек в проточки закладывают войлочные уплотнения, пропитанные горячим маслом. Проверяют проворачиванием валов отсутствие заклинивания подшипников (валы должны проворачиваться от руки) и закрепляют крышки винтами.
Далее на конец ведомого вала в шпоночную канавку закладывают шпонку, устанавливают звездочку и закрепляют ее торцовым креплением; винт торцового крепления стопорят специальной планкой.
Затем ввертывают пробку маслоспускного отверстия с прокладкой и жезловый маслоуказатель. Заливают в корпус масло и закрывают смотровое отверстие крышкой с прокладкой; закрепляют крышку болтами.
Собранный редуктор обкатывают и подвергают испытанию на стенде по программе, устанавливаемой техническими условиями.
Список используемой литературы
1.Курсовое проектирование деталей машин: Учебно-справочное пособие для
ВУЗов / С.А.Чернавский и др.-М.: Машиностроение, 1984.
2 Шейнблид А.Е. Курсовое проектирование деталей машин: Учебное пособие для техникумов.-М.: Высшая школа, 1991.

Батманов А.В. гр. Т-32
![]()
Незаконное копирование тиражирование преследуется по закону All right received
![]()


