Реферат: Первичная подготовка нефти
Иначе обстоит дело, если смесь двух нерастворимых жидкостей находится в условиях, способствующих диспергированию, и в ней присутствует какое-либо поверхностно-активное вещество, понижающее поверхностное натяжение за счет образования адсорбционного слоя. Во-первых, это способствует дроблению капель, а во-вторых (что имеет решающее значение), капли будут окружены не молекулами дисперсной среды, а прочной пленкой адсообционного слоя. В этом случае образуются стойкие, трудно расслаивающиеся эмульсии, так как капли дисперсной фазы, защищенные своеобразным панцирем - адсорбционной пленкой, не могут сливаться друг с другом. В некоторых случаях толщина адсорбционной пленки такова, что ее можно рассмотреть в микроскоп.
Вещества, способствующие образованию и стабилизации эмульсий, называются эмульгаторами. Ими являются такие полярные вещества нефти, как смолы, асфальтены, асфальтогеновые кислоты и их ангидриды, соли нафтеновых кислот, а также различные неорганические примеси. Например, по данным Левченко, в состав эмульгаторов арланской и ромашкинской нефти, помимо смол и асфальтенов входит до 50% неорганических веществ. Исследования последних лет показали, что в образовании стойких эмульсий принимают участие также различные твердые углеводороды.
Микрокристаллы парафинов, церезинов и смешанных парафина-нафтеновых углеводородов, адсорбируясь на поверхности эмульсионных глобул, образуют своеобразную броню.
Характер эмульсии зависит от свойств эмульгатора. В сырой нефти обыкновенно образуется гидрофобная эмульсия типа вода в нефти, так как эмульгаторами в этом случае являются смолы. Они хорошо растворяются в нефти и не растворяются в воде. Смолы, адсорбируясь на поверхности раздела нефть-вода, попадают в поверхностный слой со стороны нефти и создают прочную оболочку вокруг частиц воды.
Алюминиевые, кальциевые, магниевые и железные мыла нефтяных кислот также хорошо растворимы в нефти и ее дистиллятах, поэтому они также способствуют образованию гидрофобных эмульсий. Наоборот, натриевые мыла нефтяных кислот (продукт реакции при щелочной очистке) хорошо растворимы в воде и хуже в углеводородах. Поэтому они адсорбируются в поверхностном слое со стороны водной фазы, обволакивают пленкой капельки нефти и таким образом способствуют образованию гидрофильной эмульсии типа нефть в воде.
При наличии эмульгаторов обоих типов возможно обращение эмульсий, т. е. переход их из одного типа в другой. Этим явлением пользуются иногда при разрушении эмульсий.
1.4. Способы разрушения нефтяных эмульсий
Механизм разрушения нефтяных эмульсий состоит из нескольких стадий:
1. Столкновение глобул (частиц) воды;
2. Слияние глобул в более крупные капли;
3. Выпадение капель.
Для того чтобы разрушить эмульсии, в промышленной практике применяются следующие процессы:
· механические - фильтрование, обработка ультразвуком;
· термические - подогрев и отстаивание нефти от воды, промывка горячей водой;
· электрические - обработка в электрическом поле переменного и постоянного тока;
· химические - обработка различными деэмульгаторами.
Перемешивание и воздействие электрического поля создают благоприятные условия для увеличения вероятности столкновения глобул воды, тепло способствует увеличению разности плотностей воды и нефти, снижению вязкости нефти, что облегчает быстрый и полный отстой капель воды. Действием деэмульгаторов - специальных поверхностно-активных веществ - ослабляется структурно-механическая прочность слоев, обволакивающих капли воды. В качестве деэмульгаторов применяются различные поверхностно- активные вещества. Механизм действия поверхностно-активных веществ на эмульсии весьма сложен и мало изучен.
По характеру поведения в водных растворах деэмульгаторы делятся на ионоактивные и неионогенные. Первые в растворах диссоциируют на катионы и анионы, вторые ионов не образуют. Исследования, проведенные в СССР и за рубежом, показали, что наилучшим деэмульгирующим действием обладают неноногенные вещества. Расход неионогенных деэмульгаторов в несколько десятков раз ниже, а эксплуатационные затраты на обессоливание 1 т нефти в пять раз меньше, чем при применении ионогенных веществ.
До последнего времени для разрушения нефтяных эмульсий применялся анионоактнвный деэмульгатор - нейтрализованный черный контакт (НЧК). Этот деэмульгатор применяется на некоторых установках обессоливания до сих пор.
В настоящее время все шире используются различные неионогенные деэмульгаторы, из числа которых наиболее известны ОЖК и ОП-10. Деэмульгатор ОЖК представляет собой оксиэтилированные жирные кислоты, а ОП-10 оксиэтилированные алкилфенолы. Наиболее распространены термохимические и электрические способы разрушения эмульсий. Под влиянием электрического поля высокого напряжения, заряженные капельки воды перемещаются к электродам. Поскольку частота поля в межэлектродном пространстве меняется, происходит изменение направления движения капель воды, они сталкиваются друг с другом и сливаются.
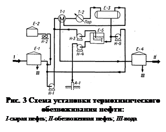
1.5. Обезвоживание нефти

Наиболее простой способ удаления воды из нефти на промыслах - термохимическое обезвоживание при атмосферном давлении. К подогретой до 30-50°С нефти добавляется деэмульгатор, а затем нефть поступает в резервуар для отстаивания. При такой обработке нефти возможны большие потери легких нефтепродуктов во время отстаивания в негерметичных резервуарах. Эти недостатки устраняются при термохимическом отстаивании под давлением (рис. 3). Сырую нефть забирают из Е-1 насосом Н-1, смешивают с деэмульгатором, подаваемым из Е-2, прокачивают через теплообменник Т-1 и паровой подогреватель Т-2 в термоотстойник Е-З. В термоотстойнике под давлением »15 ат нефть находится в течение 1-3 ч. Обезвоженная нефть через теплообменник Т-1 направляется в резервуар Е-4. В резервуаре нефть дополнительно отделяется от воды. Отстоявшаяся вода сбрасывается в нефтеловушку Е-5, а затем закачивается в скважину А-1. Часть сточных вод, удаленных из термостойника, возвращается на прием сырьевого насоса, с целью повторного использования содержащегася в сточной воде деэмульгатора. Нефть из ловушки вновь подается на обезвоживание.
1.6. Обессоливание нефтей
При глубоком обезвоживании некоторых нефтей, в пластовой воде которых содержится мало солей, происходит почти полное их удаление. Однако большинство нефтей нуждается в дополнительном обессоливании.
В некоторых случаях для обессоливания используется термохимический метод, но чаще применяется способ, сочетающий термохимическое отстаивание с обработкой эмульсии в электрическом поле. Установки последнего типа носят название электрообессоливающих (ЭЛОУ).
Технологическая схема установки электрообессоливания
нефти приводится на рис. 4. Нефть, в которую введены промывная вода,
деэмульгатор и щелочь, насосом Н-1 прокачивается через теплообменник 7-1
и пароподогреватель Т-2 в электродегидратор первой ступени Э-1. Здесь
удаляется основная масса воды и солей (содержание их снижается в 8-10 раз.) На
некоторых установках ЭЛОУ перед Э-1 находится термохимическая ступень.
Из Э-1 нефть поступает в электродегидратор второй ступени Э-2 для
повторной обработки. Перед Э-2 в нефть вновь подается вода. Общий расход
воды на обессоливание составляет 10% от обрабатываемой нефти. На некоторых
установках свежая вода подается только на вторую ступень обессоливания, а перед
первой ступенью с нефтью смешиваются промывные воды второй ступени. Так удается
снизить расход воды на обессоливание вдвое.
Обессоленная нефть из Э-2 проходит через теплообменник Т-1, холодильник и подается в резервуары обессоленной нефти. Вода, отделенная в электродегидраторах, направляется в нефтеотделитель Е-1 для дополнительного отстоя. Уловленная нефть возвращается на прием сырьевого насоса, а вода сбрасывается в промышленную канализацию и передается на очистку.
1.7. Основные виду электрообессоливающих установок
Главным аппаратом установки является электродегидратор - емкость, снабженная электродами, к которым подводится переменный ток высокого напряжения. В эксплуатации на промысловых и заводских установках ЭЛОУ находятся электродегидраторы различных конструкций: вертикальные, шаровые и горизонтальные.
Вертикальный электродегидратор (рис. 5) представляет собой цилиндрический сосуд диаметром 3 м, высотой 5 м и объемом 30 м3. Внутри находятся электроды - металлические пластины, подвешенные на фарфоровых изоляторах. Ток подается к электродам от двух повышающих трансформаторов мощностью по 5 ква (киловольтампер) каждый. Напряжение между электродами от 15 до 33 кв.
Сырье вводится в электродегидратор через вертикальную, вмонтированную по оси аппарата трубу, которая на половине высоты дегидратора заканчивается распределительной головкой-Головка устроена так, что через ее узкую кольцевую щель эмульсия нефти и воды вводится в виде тонкой веерообразной горизонтальной струи. Обработанная нефть выводится в центре верхнего днища электродегидратора, а отстоявшаяся вода-через нижнее днище.
Страницы: 1, 2, 3, 4, 5, 6, 7, 8, 9, 10, 11, 12, 13, 14


