Реферат: Редуктор червячный
Реферат: Редуктор червячный


тверской
политехнический
ТЕХНИКУМ
1 9 9 7 г о д

?
? ? ? ? ? ? ? ?
![]()
????????
в ы п о л н и л с т у д е н т
г р у п п ы 3 П 1
????????
??????
Раздел 1 “????????” 1.1 Общие сведения о редукторе 1.2 Описание проектного редуктора Раздел 2 “????????? ?????” 2.1 Выбор электродвигателя 2.2 Расчет передачи редуктора 2.3 Предварительный расчет валов 2.4 Расчет открытой передачи 2.5 Подбор подшипников 2.6 Расчет шпонок 2.7 Уточненный расчет валов 2.8 Тепловой расчет редуктора Раздел 3 “??????????????? ?????” 3.1 Конструирование деталей передачи редуктора 3.2 Конструирование корпуса редуктора 3.3 Конструирование подшипниковых узлов 3.4 Выбор посадок 3.5 Выбор смазки Раздел 4 “??????????????? ?????” 4.1 Краткое описание сборки редуктора |
||||||||||
|
ТМ.КП.РЧ.304.000.ПЗ. |
||||||||||
|
Изм |
Лист |
№ докум. |
Подп. |
Дат |
||||||
|
Разраб. |
Самсонов А. |
97 |
Лит. |
Лист |
Листов |
|||||
|
Проверил |
Стратонитский |
СОДЕРЖАНИЕ |
У |
1 |
||||||
|
Рук. |
расчетно-пояснительной записки |
|||||||||
|
Н.контр. |
курсового проекта |
ТПТ гр.-2П1 |
||||||||
|
Утвердил |
||||||||||
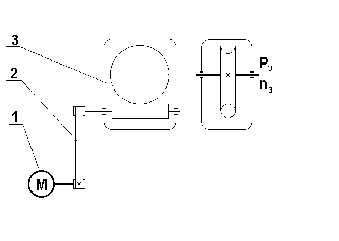
????? ????????? ???????? ??? 59. ??????? № 49
1-???????????????? 2-?????-???????? ???????? 3-???????? ????????? ???????? ????:P=4.5 ??? ; n=30 ??/??? |
||||||
|
97 |
Лист |
|||||
|
ТМ.КП.РЧ.304.000.ПЗ. |
2 |
|||||
|
Изм |
Лист |
Ном. докум. |
Подп. |
Дат |
||
Раздел 1 Введение 1.1 Общие сведения о редукторах (П-2.1 стр-9) Редуктором называют механизм, состоящий из зубчатых или червячных передач, выполненный в виде отдельного агрегата, и служащий для пе- редачи вращения от вала двигателя к валу рабочей машины. Кинематическая схема привода может включать,помимо редуктора, отк- рытые зубчатые передачи, цепные или ременные передачи. Назначение редуктора - понижение угловой скорости и соответствен но повышение вращающего момента ведомого вала по сравнению с веду- щим. Механизмы для повышения угловой скорости, выполненные в виде отдельных агрегатов, называют ускорителями или мультипликаторами. Редуктор проектируют либо для привода определенной машины, либо по заданной нагрузке и передаточному числу без указания конкретного назначения. Редукторы классифицируют по следующим признакам: типу передачи, (зубчатые, червячные или зубчато-червячные), числу ступеней (односту- пенчатые, двухступенчатые), типу зубчатых колес (цилиндрические, ко- нические, коническо-цилиндрические), относительному расположению валов редуктора в пространстве (горизонтальные, вертикальные), осо- бенностями кинематической схемы (развернутая, соосная, с раздвоенной ступенью). Возможности получения больших передаточных чисел при малых габа- ритах обеспечивают планетарные и волновые редукторы. 1.2 Описание проектируемого редуктора (стр 18-22) Червячный редуктор применяется для передачи движения между валами, оси которых перекрещиваются . По относительному положению червяка и червячного колеса раз- личают три основные схемы червячных редукторов: с нижним, верхним и боковым расположением червяка. Искусственный обдув ребристых корпусов обеспечивает более бла гоприятный тепловой режим работы редуктора.Выход вала колеса редуктора с боковым расположением червяка в зависимос-ти от назначения компоновки привода может быть сделан вверх или вниз. При нижнем расположении червяка условие смазыва-ния, зацепления лучше, при верхнем хуже, но меньше вероятнос-ть попадания в зацепления металлических частиц-продуктов зноса Передаточные числа червячных редукторов обычно колеблются в пределах U=8-80 (см. ГОСТ 2144-76) Так как К.П.Д. червячных редукторов невысок, то для передачи больших мощностей и в установках, работающих непрерывно, проектировать их нецелесообразно. Практически червячные ре- дукторы применяют для передачи мощности, как правило, до 45 кВт и в виде исключений до 150 кВт. |
||||||
|
97 |
Лист |
|||||
|
ТМ.КП.РЧ.304.000.ПЗ. |
3 |
|||||
|
Изм |
Лист |
Ном. докум. |
Подп. |
Дат |
||
Раздел 2 Расчетная часть 2.1 Выбор электродвигателя, кинематический и силовой расчет Исходные данные: Частота вращения вала барабана:30об/мин Мощность на валу барабана:Р=4.5 кВт Количество передаточных звеньев привода: 2 Количество пар подшипников: 2 Количество валов: 3 Коэффициент учитывающий потери в одной паре подшипников:0.99 Параметры 1-го вала Параметры цилиндрического редуктора Максимальное передаточное число звена Umax = 4 Минимальное передаточное число звена Umin = 2 К.П.Д. звена 0.7 Параметры 2-го вала Параметры червячной передачи. Umax =40 Umin =8 К.П.Д.=0.7 Требуемая мощность электродвигателя: Выбираем асинхронный 132M2 у которого мощность 3 кВт Диапазоны частот вращения вала электродвигателя 480-4800об/мин Величина скольжения: 0.023 Фактическая частота вращения Действительное передаточное число:97.6999 Разбиваем действительное передаточное число между звеньями и получаем Uред = 30 , Uрем=3.26 Вал 1 Передаточное число 1 К.П.Д. 1 Число пар подшипников на валу-0 Частота вращения вала 2931 об/мин Мощность на валу 9.37013912 кВт Вращающий момент на валу 30.54371261 Н*м Вал 2 Передаточное число 3.26 К.П.Д. 0.95 Число пар подшипников на валу 1 Частота вращения вала 900 об/мин Мощность на валу 8.81261539 кВт Вращающий момент на валу 93.55217743 Н*м Вал3 Передаточное число 30 К.П.Д. 0.7 Число пар подшипников на валу 1 Частота вращения вала 30.089об/мин Мощность на валу 4.5 кВт Вращающий момент на валу 1944.9498Н*м |
||||||
|
97 |
Лист |
|||||
|
ТМ.КП.РЧ.304.000.ПЗ. |
4 |
|||||
|
Изм |
Лист |
Ном. докум. |
Подп. |
Дат |
||
|
Т.к. к проектируемой передаче не предъявляется особых требований принимаем : 1- Материал для червяка среднеуглеродистая конструкционная сталь 45 с термообработкой HRC 45 2- Червячное колесо изготавливаем сборным: венец из бронзы марки А9ЖЗЛ, а центр из серого чугуна СЧ18, ориентируясь на скорость скольжения Vs=5 м/с, выбираем допускаемое контактное напряжение [sн]=155 Н/ммў2 По табл. 4.8 стр. 66 выбираем допускаемое напряжение [s-1F]=75 H/ммў2 ориентируясь на неограниченный срок передачи принимаем коэффициент долговечности K FL=0.543 Допустимое напряжение на изгиб [s F]=40.72 Н/мм`2 Число зубьев z1=1 Число зубьев червячного колеса z2=30 Коэффициент диаметра червяка q=10 Момент на валу червячного колеса M3=1944.95 Н*м Коэффициент нагрузки К=1.2 Межосевое расстояние aw=273.59 мм Уточненное межосевое расстояние aw=273 мм Модуль m=13.679 мм Уточненный модуль 16 мм (по ГОСТу) По ГОСТу принимаем основные параметры червяка (стр.56 таб.4.2): Делительный диаметр червяка d1=128 мм Диаметр вершин витков червяка da1=160мм Диаметр впадин витков червяка df1=89.5999мм Длина нарезной части b1=204.8мм Уточненная длина нарезной части b1=245 мм Максимальная ширина венца b2=120 мм По ГОСТу принимаем основные параметры червячного колеса Делительный диаметр червячного колеса d2=480мм Диаметр вершин зубьев червячного колеса da2=512мм Диаметр впадин зубьев червячного колеса df2=441.6мм Максимальный диаметр червячного колеса d aм2=544мм Угол подъема g (стр.57 таб. 4.3) Рg=5°43ў00І=5.7166° Частота вращения червяка n2=900 об/мин Ю |
||||||
|
97 |
Лист |
|||||
|
ТМ.КП.РЧ.304.000.ПЗ. |
5 |
|||||
|
Изм |
Лист |
Ном. докум. |
Подп. |
Дат |
||
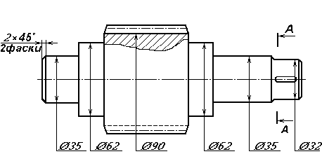
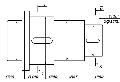
Коэффициент трения f=0.024 (стр.59 таб.4.4) Угол трения p`=1.3 Уточненное значение К.П.Д. редуктора h=0.7726 Выбираем 8-ую степень точности Коэффициент динамической нагрузки Kv=1.4 (стр.65 таб.4.7) Коэффициент диформации червяка q=108 (стр64. Таб.4.6) Вспомогательный коэффициент х»0.6 (стр.65) Расчетное контактное напряжение sн=146.802 Н/мм`2 Вывод: контактная выносливасть обеспечена, т.к. sнsн] Эквивалентное число зубъев zv=30 Коэффициент формы зуба YF=2.1 (стр.63 таб.4.5) Расчетное напряжение на изгиб sF=7.702 Н/мм`2 Вывод: прочность зубьев червячного колеса обеспечена, т.к. sFsF] 2.3 Предварительный расчет валов Вращающий момент на ведущем валу передачи М2=93 Н*м Допустимое касательное напряжение [t ]=20 H/мм`2 Диаметр выходного конца ведущего вала db1=28.598мм Уточненный диаметр выходного конца ведущего вала db2=32мм Вращающей момент на ведомом валу передачи M3 =1944.9 Н*м Диаметр выходного конца ведомого вала db2=78.635 мм Уточненный диаметр db2=80 мм Диаметр ведомого вала под уплотнение: dу2=85 мм Диаметр ведущего вала под уплотнение: dу1 =35 мм Диаметр ведомого вала под подшипник: dn2=85 мм Диаметр ведущего вала под подшипник: dn1=35 мм Диаметр впадин витков червяка df1=90 мм Диаметр технологической ступени ведущего вала: dT1= 62 мм Диаметр под червячное колесо: dp2=90 мм Диаметр буртика ведомого вала: dб=100 мм Ведущий вал:
|
||||||
|
97 |
Лист |
|||||
|
ТМ.КП.РЧ.304.000.ПЗ. |
6 |
|||||
|
Изм |
Лист |
Ном. докум. |
Подп. |
Дат |
||
|
Ведомый вал:
2.4 Расчет ременной передачи Расчетная передоваемая мощность Р=9.37 кВт Синхроннаячастота вращения вала 2931 об/мин Передаточное отношение U=3.26 Скольжение ремня 0.01 Сечение клиновидного ремня (стр.134 рис.7.3) А Вращающий момент Т=30.528 Н*м Диаметр меньшего шкива (стр.132 табл.7.8) 100мм Диаметр большего шкива 322.74 мм Уточненный диаметр большего шкива 355мм Уточненное значение передаточного числа U=3.58 Высоту сечения ремня 8 мм (стр.131 таб. 7.7) Меж осевое растояние 258.25-455 мм Уточненное межосевое растояние 300 мм Расчетная длина ремня L=1368.899 мм Округление по стандарту L=1320 мм Уточненное значение межосевого растояния Ар=299.99999999 мм Угол обхвата меньшего шкива =131.55° |
||||||
|
97 |
Лист |
|||||
|
ТМ.КП.РЧ.304.000.ПЗ. |
7 |
|||||
|
Изм |
Лист |
Ном. докум. |
Подп. |
Дат |
||
Мощнасть, передоваемая одним клиновым ремнем 1.76 Коэффициент учитывающий число ремней в передаче Cz =0.9 (4 - ремня) Коэффициент учитывающий влияние угла обхвата Ca = Коэффициент учитывающий Cz = Коэффициент Cz = Силы деыствующие на цепь: Окружная сила От центробежной силы От провисания Расчетная нагрузка на вал: Коэффициент запаса прочности цепи |
||||||
|
97 |
Лист |
|||||
|
ТМ.КП.РЧ.304.000.ПЗ. |
8 |
|||||
|
Изм |
Лист |
Ном. докум. |
Подп. |
Дат |
||
Раздел 2
Вал 4
Передаточное число:
Момент на ведущем валу передачи:
Частота вращения ведущего вала:
Выбор материала:
Материал для шестерни и зубчатого колеса выбираем ст.45 с термообработкой: для шетерни улучшение, степень твердости рабочей поверхности зубьев , для колеса нормализация, степень твердости рабочей поверхности зубьев .
Коэффициент долговечности 1, так как срок службы неограничен Кнl = 1
Коэффициент нагрузки К= 1,2
Расчетное допускаемое контактное напряжение:[G]h = H/мм
Определение допустимых напряжений на изгиб:
Первый множитель коэффициента безопасности: [S]F
Второй множитель коэффициента безопасности: [S]F
Допустимое напряжение на изгиб [G]F1
Допустимое напряжение колеса [G]F2
2.2 Расчет передачи редуктора
Межосевое растояние aw=273.59 мм
Уточненное межосевое растояние 273 мм
Модуль m=13.679
По ГОСТу принемаем основные параметры червяка (стр.56 таб.4.2):
Делительный диаметр червяка
Диаметр вершин витков червяка
Диаметр вершин зубьев колеса
Ширина шестерни
Ширина колеса
число зубьев шестерни
Коэффициент ширины венца
Минимальный нормальный модуль зацепления Mmin =
Максимальный нормальный модуль зацепления Mmax =
Число зубьев колеса
Косинус угла наклона зубьев
Уточненный угол наклона зубьев
Коэффициент ширины шестерни по диаметру
Окружная скорость колес
В зависимости от окружной скорости принимаем степень точности
Момент на ведомом валу
Первый множитель коэффициента нагрузки:
Второй множитель коэффициента нагрузки:
Третий множитель коэффициента нагрузки:
Контактное напряжение
Контактная выносливость передачи обеспечена
Динамический коэффициент:
Коэффициент влияния межосевого растояния:
Коэффициент наклона цепи:
Регулировочное напряжение цепи (регулировка периодическая)
Коэффициент способа смазки (смазывание переодическое)
Коэффициент переодичности работы
Коэффициент эксплуатации
Допустимое давление в шарнирах
Шаг цепи
Шаг однорядной цепи
Принимаем шаг ближайший больший
нагрузка
Масса
Площадь опорной поверхности шарнира
Скорость цепи
Окружная сила
Давление в шарнирах цепи
Допустимое давление для принятой цепи
Уточненное межосевое растояние цепной передачи
Для свободного провисания цепи предусмотреть уменьшение межосевого растояния на 0.4%
Диаметр ролика цепи
Делительный диаметр окружности звездочек
Силы действующие в зацеплении
Окружная сила
Радиальная сила
Осевая сила
Проверяем зубья на выносливость по напряжениям изгиба:
Первый множитель коэффициента нагрузки
Второй множитель коффициента нагрузки
Эквивалентное число зубьев шестерни
Эквивалентное число зубьев колеса
Взависимости от эквивалетного числа: зубьев шестерни, учитывающего форму шестерни
зубьев колеса, учитывающего форму колеса
Напряжение изгиба для колеса
Выносливость зубьев на изгиб обеспечен
2.3 Расчет открытой передачи
Исходные данные:
Момент на ведущей звездочке
Передаточное число цепной передачи
Частота вращения вала ведомой звездочки
Фактическое передаточное число цепной передачи
Диаметры наружных окружностей звездочек
Силы деыствующие на цепь:
Окружная сила
От центробежной силы
От провисания
Расчетная нагрузка на вал:
Коэффициент запаса прочности цепи:
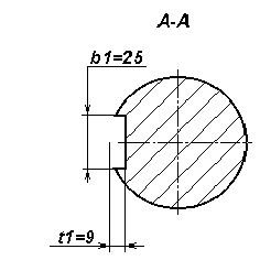
2.5 Расчет шпонок
2.5.1 Вращающий момент на валу
Диаметр вала в месте установки шпонки:
Ширина шпонки
Высота шпонки
Глубина шпоночного паза
Длина шпонки
Шпонка призматическая с круглыми торцами.
Расчетное напряжение смятия шпоночного соединения
2.5.2 Вращающий момент на валу
Диаметр вала в месте установки шпонки
Ширина шпонки
Высота шпоночного паза
Глубина шпоночного паза
Длина шпонки
Шпонка призматическая с круглыми торцами.
Расчетное напряжение смятия
2.5.3 Вращающий момент на валу
Диаметр вала в месте установки шпонки
Ширина шпонки
Глубина шпонки
Глубина шпоночного паза
Высота шпоночного паза
Длина шпонки
Шпонка призматическая с круглыми торцами.
Расчетное напряжение смятия
Ведущей вал:
Определение продольных размеров вала: l1= b1+2y+2x+B
b1 - ширина шестерни
y = - зазор между торцом x = 8 - 12 мм
В - ширина подшипника
Ведомый вал:
2.6 Выбор подшипников
2.6.1. Радиальная сила: Ft= H
Окружная сила: Ft = H
Осевая сила : Fa = H
Делительный диаметр шестерни: d =
Rx1 = H
Rx2 = H
Ry1 = H
Ry2 = H
Опора 1: R1 = H
Опора 2: R2 = H
Выбираем подшипник по более нагруженной опоре: R1 = H
Подшипник
d = D =
В =
С = Н
Со = Н
Отношение осевой силы Fa к статической грузоподъемности
Отношение осевой силы Fa к радиальной нагрузке: Рr = ; x = ; y =
Коэффициент, учитывающий характер нагрузки на подшипник
Температурный коэффициент: Kt =
Коэффициент учитывающий взаимное движение колец подшипника: V =
Эквивалентная нагрузка: Рэ = H
Частота вращения вала: n = об/мин.
Расчетная долговечность: Lh = миллиона оборотов;
Расчетная долговечность: Lh = часа;
2.6.2. Расчет ведомого вала
Радиальная сила: Fr = H
Окружная сила: Ft = H
Осевая сила: Fa = H
Нагрузка на вал от цепной передачи: Fb = H
Делительный диаметр окружности зубчатого колеса: d =
Частота вращения вала: n = об/мин.
Составляющая нагрузка на вал от цепной передачи: Fbx = Fby = H
Расстояние между опорами вала: L2 =
Расстояние от звездочки цепной передачи до ближайшего подшипника: L3 =
Реакции опор
а) в горизонтальной плоскости: Rx3 = Н
Rx4 = H
б) в вертикальной плоскости: Ry3 = H
Ry4 = H
сумма реакций: Pr3 = H
Pr4 = H
Суммарная реакция наиболее нагруженной опоры: Pr = H
Подшипник
d = (внутренние кольцо подшипника)
D = (наружное кольцо подшипника)
В = 20 мм (ширина подшипника)
С = 35100H
C = 19800H (статическая грузоподъемность)
Отношение осевой силы Fa к статической грузоподъемности Со: Fa/Co
l =
Отношение осевой силы Fa к радиальной нагрузке Pr4: Fa/Pr4
X =
Y =
Температурный коэффициент:
Коэффициент учитывающий взаимное движение колес подшипника
Эквивалентная нагрузка
Расчетная долговечность
2.7 Уточненный расчет валов
Предел прочности [G]w
По нормальным напряжениям:
По касательным напряжениям:
Расчет ведомого вала.
Диаметр под сечением:
Ширина шпонки:
Глубина паза вала:
Момент сопротивления кручению:
Момент сопротивления изгибу:
Крутящий момент в сечении:
Изгибающий момент в сечении:
Амплитуда и средние напряжения касательных напряжений:
Амлетуда нормальных напряжений изгиба:
Коэффициент запаса прочности по нормальным напряжениям:
Коэффициент запаса прочности по касательным напряжениям:
Результирующий коэффициент запаса прочности:
Раздел 3
Конструкторская часть
3.1 Конструирование зубчатого колеса
Диаметр ступицы зубчатого колеса:
Длина ступицы:
Толщина обода колеса:
Толщина диска зубчатого колеса:
Диаметр центровой окружности:
Дотв.
До - внутренний диаметр обода
Диаметр отверстий:
3.2 Конструирование корпуса редуктора.
Межосевое растояние:
Толщина стенки крышки:
Толщина верхнего пояса (фланца) корпуса:
Толщина нижнего пояса (фланца) корпуса:
Толщина ребер основания корпуса:
Толщина ребер крышки корпуса:
Диаметр болтов фундаментных:
Диаметр болтов у подшипников:
Диаметр болтов соединяющих основание корпуса с крышкой:
Винты крепления крышек подшипников:
Наименьший зазор между поверхностью колеса и стенкой корпуса:
3.3 Выбор посадок
зубчатые колеса и зубчатые муфты на валы.
мазеудерживающие кольца.
стаканы под подшипники качения в корпус.
шкивы и звездочки.
уплотнения.
внутренние кольца подшипников качения на валы.
наружные кольца подшипников качения в корпусе.
3.4 Выбор смазки
Смазывание зацепления осуществляется окунанием зубчатых колес в масло,
заливаемое в внутрь корпуса. Назначаем сорт масла по таблицам 10.8 и 10.10.
(страница 253, курсовое проектирование деталей машин).
Вязкость масла:
Эту вязкость удовлетворяет масло
Для смазки подшипников приминяем ластичный смазочный материал -
пресс - солидол ГОСТ 4366 - 76
Раздел 4
Технологическая часть
4.1 Краткое описание сборки редуктора.
Перед сборкой внутреннию полость корпуса редуктора тщательно очищают и покрывают маслостойкой краской.
Сборку производят в соответствии со сборочным чертежем редуктора, начиная с узлов валов:
на ведущей вал насаживают шпонку и напрессвывают зубчатое колесо до упора в бурт вала; затем надевают мазеудерживающие кольца и устанавливают шарикоподшипники, предварительно нагретые в масле.
Собранные валы укладывают в основание корпуса редуктора и надевают крышку корпуса, покрывая предварительно поверхности стыка крышки и корпуса спиртовым лаком. Для центровки устанавливают крышку на корпус с помощью двух конических штифтоф; затягивают болты, крепящие крышку корпуса.
После этого в подшипниковые камеры закладывают пластичную смазку, ставят крышки подшипников с комлектом металических прокладок для регулировки.
Перд постановкой сквозных крышек в проточке закладывают войлочные уплотнения, пропитанные горячим маслом. Проверяют проворачиванием валов отсутствие заклиневания
подшипников (валы должны проворачиваться от руки) и закрепляют крышки винтами. Затем ввертывают пробку маслоспускного отверстия с прокладкой и жезловой маслоуказатель.
Заливают в корпус масло и закрывают смотровое отверстие крышки с прокладкой из технического картона; закрепляют крышку болтами.
Собранный редуктор обкатывают и подвергают испытанию на стенде по программе, устанавливаемой техническими условиями.





2.2
Расчет
передачи
редуктора




