Реферат: Розрахунок теплової частини ТЕЦ
Реферат: Розрахунок теплової частини ТЕЦ
1Додаток
Задача № 1. (№ 1, стор. 45).
Газ – повітря з початковою температурою t1 = 27С стискається в одноступеневому поршневому компресорі від тиску р1 = 0,1 МПа до тиску р2. Стиск може відбуватися по ізотермі, адіабаті та політропі з покажчиком політропи n. Визначити для кожного з трьох процесів стиску кінцеву температуру газу t2, відведену від газу теплоту Q, кВт, та теоретичну потужність компресора, якщо його паропродуктивність G. Подати зведену таблицю. Дані, необхідні для розв’язку задачі, вибрати з таблиці 13. Розрахунок вести без врахування залежності теплоємності від температури.
|
№ варіанту |
t1, С |
N |
G, кг/год |
р1, МПа |
Р2, МПа |
|
48 |
27 |
1,33 |
700 |
0,1 |
0,95 |
T2, Q, N – ?
Розв’язок:
1). Ізотермічний процес. t1 = t2 = 27C; U = 0;

![]()
Вт;

Потужність приводу:
Вт.
2). Адіабатичний процес.
; kповітря
= 1,4; q = 0.
![]()
K;

![]()
![]()
кВт.
3). Політропний
процес.
;
K;
![]()
![]()
![]()
![]()
![]()
![]()

Вт;
Вт.

Зведена таблиця:
|
Процес |
Т2, К |
q |
U |
l |
S |
Nпр, кВт |
|
кДж/кг |
||||||
|
Ізотерм. |
300 |
193,836 |
0 |
–193,836 |
–0,65 |
–37,69 |
|
Адіабат. |
570,78 |
0 |
194,29 |
–272 |
0 |
–52,9 |
|
Політроп. |
524,46 |
–96,6 |
161,05 |
–259,63 |
–0,24 |
–50,5 |
Задача №2, (№4, стор. 47).
Визначити поверхню нагріву рекуперативного газоповітряного теплообмінника при прямоточній та протиточній схемах руху теплоносіїв, якщо об’ємна витрата повітря, що нагрівається при нормальних умовах Vн, середній коефіцієнт теплопередачі від продуктів згоряння до повітря К, початкові і кінцеві температури продуктів згоряння та повітря відповідно t'1, t''1, t'2, t''2. дані необхідні для вирішення задачі, вибрати з табл. 16.
|
№ варіанту |
VH, м3/год |
K, Вт/(м2К) |
t'1C |
t''1C |
t'2C |
t''2C |
|
48 |
9000 |
26 |
700 |
500 |
10 |
400 |
Розв’язок:
Поверхня нагріву, м2:
![]()
Масова витрата повітря:
![]()
Теплоємність повітря: Срп = 1,03 кДж/кг;
Потік тепла від газу до повітря:
Q = Cpпmпtп = 1,031,93(400 – 10) = 775,281 кВт;
Середня логарифмічна різниця температур:

а). Прямоток: ![]()
![]()

![]()
а). Протиток: ![]()
![]()

![]()
Задача № 3. (№1, стор. 48).
Задано паливо та паропродуктивність котельного агрегату D. Визначити склад робочої маси палива та його найменшу теплоту згоряння, спосіб спалення палива, тип топки, значення коефіцієнта надлишку повітря в топці т та на виході з котлоагрегату ух по величині присоса повітря по газовому тракту (); знайти необхідну кількість повітря для згоряння 1 кг (1 м3) палива і об’єми продуктів згоряння при ух, а також ентальпію газів при заданній температурі tух. Вихідні дані, необхідні для розв’язку задачі, прийняти з табл. 17.
Вказівка. Елементарний склад і нижча теплота згоряння палива, а також рекомендації щодо вибору топки і коефіцієнта надлишку повітря в топці приведені в додатках 5–8 методичних вказівок.
|
№ варіанту |
Вид палива |
D, т/год |
|
tух, C |
|
48 |
Челябінське вугілля Б3 (буре) |
160 |
0,15 |
130 |
Розв’язок:
WP = 18; AP = 29,5; SP = 1; CP = 37,3; HP = 2,8;
NP
= 0,9; OP
= 10,5;
=13,9
МДж/кг.
Тип топки – шахтно–млинова.
Коефіцієнт надлишку повітря в топці: Т = 1,25.
Коефіцієнт надлишку повітря за котлом:
= Т + = 1,25 + 0,15 = 1,4.
Теоретична кількість повітря:
V0 = 0,089CP + 0,265HP + 0,033(SP – OP) =
= 0,08937,3 + 0,2652,8 + 0,033(1 – 10,5) = 3,75 м3/кг;
Об’єм надлишкового повітря:
V = ( – 1)V0 = (1,4 – 1)3,75 = 1,5 м3/кг;
Теоретичний об’єм трьохатомних газів:
VRO2 = 0,0186(CP + 0,375SP) = 0,0186(37,3 + 0,3751) = 0,701 м3/кг;
Теоретичний об’єм двохатомних газів:
VR2 = 0,79V0 + 0,008NP = 0,793,75 + 0,0080,9 = 2,97 м3/кг;
Дійсний об’єм сухих газів:
Vсг = VRO2 + VR2 + V = 0,701 + 2,97 + 1,5 = 5,171 м3/кг;
Теоретичний об’єм водяної пари:
VH2O = 0,0124(9HP + WP) + 0,0161 V0 =
= 0,0124(92,8 + 18) + 0,01613,75 = 0,596 м3/кг;
Загальний об’єм газів:
V = Vсг + VH2O = 5,171 + 0,596 = 5,767 м3/кг;
Ентальпія газів:
Iух = [(ViCi)]tух = (VRO2CRO2 + VR2CR2 + VH2OCH2O + VCB)tух.
Об’ємна теплоємність сухих газів, водяної пари та повітря при
tух = 130C, кДж/(м3гр): CRO2 = 1,8; CR2 = 1,3; CH2O = 1,52; CB=1,3.
Iух = (0,7011,8 + 2,971,3 + 0,5961,52 + 1,51,3)130 = 1037,2 кДж/кг.
Задача №4. (№2, стор. 46).
Водяний пар з початковим тиском р1 = 3 МПа та ступенем сухості х1 = 0,95 надходить в пароперегрівач, де його температура підвищується на t; після перегрівача пар ізотропно розширюється в турбіні до тиску р2. Визначити (по hs – діаграмі) кількість теплоти (на 1 кг пара), підведеної до нього в пароперегрівачі, роботу циклу Ренкіна та ступінь сухості пара х2 в кінці розширення. Визначити також термічний ККД циклу. Визначити роботу циклу і кінцеву ступінь сухості, якщо після пароперегрівача пар дроселюється до тиску р1’. Дані, необхідні для вирішення задачі, вибрати з таблиці 14.
|
t, C |
p2, кПа |
p1’, МПа |
|
235 |
3,0 |
0,50 |
Розв’язок:

і0 = 2635 кДж/кг; t1’ = 140C;
tпп = t1’ + t = 140 + 235 = 375C;
iпп = 3240 кДж/кг;
qпп = iпп – i0 = 3240 – 2635 = 605 кДж/кг;
x2 = 0,912; iK = 2340 кДж/кг;
l = iпп – iK = 3240 – 2340 = 900 кДж/кг;
tK’ = 24C;
iK’ = CPBtK’ = 4,224 = 100,8 кДж/кг;
q = iпп – iK’ = 3240 – 100,8 = 3139,2 кДж/кг;
у = l /q = 900 /3139,2 = 0,29.
Pдр = 0,5 МПа; iKдр = 2300 кДж/кг; х2др = 0,9.
lдр = iпп – iКдр = 3240 – 2300 = 940 кДж/кг.
Задача № 5. (№4, стор. 50).
Визначити діаметр циліндру і ход поршня чотирьохтактного .ДВЗ по відомим значенням ефективної потужності, середнього індикаторного тиску, механічного ККД, кількості обертів двигуна і відношення. Розрахувати годинну і ефективну питому витрату палива, якщо індикаторний ККД двигуна , а нижча теплота згоряння МДж/кг. Вихідні дані, необхідні для розв’язку задачі, наведені в таблиці.
|
№ варіанту |
Ne, кВт |
N, об/хв |
pi, кПа |
z |
i |
м |
S/D |
|
48 |
100 |
2100 |
600 |
4 |
0,38 |
0,81 |
0,95 |
Розв’язок:
Робочий об’єм циліндра:



![]()
Витрата палива:

де
–
індикаторна
потужність: 

Ефективна питома витрата палива:

Задача № 6. (№3, стор. 47).
По горизонтально розташованій металевій трубі [ = 20 Вт/(мК)] зі швидкістю тече вода, яка має температуру tв. зовні труба охолоджується оточуючим повітрям, температура якого tпов, тиск 0,1 МПа. Визначити коефіцієнти тепловіддачі 1 і 2 відповідно від води до стінки труби та від стінки труби до повітря; коефіцієнт теплопередачі та тепловий потік q1, віднесений до 1 м труби довжини труби, якщо внутрішній діаметр труби дорівнює d1, а зовнішній – d2. Дані, необхідні для розв’язку задачі, вибрати з таблиці 15.
|
№ варіанту |
tв, С |
, м/с |
tвоз, С |
d1, мм |
d2, мм |
|
48 |
200 |
0,42 |
18 |
190 |
210 |
Розв’язок:
Лінійний
тепловий потік: ![]()
–
коефіцієнт
теплопередачі,
для циліндричної
стінки:


Критерій Рейнольдса для води:
;
.
Так як
то
.
Критерій
Прандтля
=
1,05.
![]()


Для знаходження 1 знайдемо добуток GrPr.
Для повітря з t = 18С: Pr = 0,7; V = 13,610–6 м2/с;
= 2,4610–2 Вт/(мград).
;
= 1/T; t tВ – tПОВ = 120 – 18 = 102C;

GrPr = 0,7127,5106 = 89,25106; (GrPr) 109;
Nu = 0,5(GrPr)0,25(Pr /Prст)0,25 = 0,5(89,25106)0,25(0,7 /1,05)0,25 = 52,5.


102
= 416,364 Вт/м.
Задача № 7.
Із ємності при температурі Т = 470 К і тиску р1 = 30 бар витікає 1 кг кисню через сопло, яке звужується, в середовище із тиском р2 = 20 бар. Визначити швидкість витікання і масову витрату кисню (кг/с), якщо площа вихідного сопла f = 30 мм.
Розв’язок:
Співвідношення тисків:

Початковий об’єм:

Швидкість витікання:

Масова витрата кисню:

Задача №8. (№3, стор. 44).
Визначити
для парової
конденсаційної
турбіни витрату
пари D, кількість
циркуляційної
води в конденсаторі
G(
),
а також кратність
охолодження,
якщо відомі
початкові
параметри пари
Р1 та t1,
тиск у конденсаторі
Р2=4кПа. Відносний
внутрішній
ККд турбіни
оі=0,76,
потужність
турбіни Nт,
початкова
температура
циркуляційної
води tв.
температуру
вихідної води
прийняти на
3°С нижче температури
насиченої пари
в конденсаторі.
|
№ варіанту |
t1, С |
оі |
tв, С |
Р1, Мпа |
Рк=Р2, кПа |
Nт, МВт |
|
48 |
380 |
0,76 |
14 |
7 |
4 |
6 |
Розв’язок:

Знайдемо з IS діаграми:
і1=3110![]()
tк=f(Pк=4 кПа;x=1)=30°С
Рдр=0,7Р1=0,77=4,МПа
![]()
Наявний теплоперепад:
![]()
Наявний теплоперепад:
Н=Н0оі=11350,76=862,6![]()
івихл=2247,4![]()
З IS діаграми: х2=0,872
Потужність турбіни:
![]()
Витрату охолоджуючої води знайдемо з рівняння теплового балансу конденсатора:

Кратність охолодження:
![]()
Задача №9.
Між двома
поверхнями
встановлено
екран, коефіцієнти
випромінювання
поверхонь
С1=С2, а температури
поверхонь t1
та t2. Визначити
променевий
теплообмін
до і після
встановлення
екрану, якщо
Секр= С1=С2
.
|
№ варіанту |
С1 |
Т1,°К |
Т1,°К |
|
48 |
4,8 |
600 |
300 |
Розв’язок:
Теплообмін між поверхнями до встановлення екрана:

Де СS=5,67
—
коефіцієнт
випромінювання
абсолютно
чорного тіла.
Теплообмін між поверхнями після встановлення екрана:
![]()
Температура екрана:

Міністерство освіти України
Вінницький державний технічний університет
Кафедра теплоенергетики і газопостачання
Курсова робота
з дисципліни
"Теплоенергетичне устаткування"
Тема: “Розрахунок теплової схеми і устаткування блоку 300 МВт”
Студент групи 2ЕСі-95 Іванько М.М.
Керівник роботи: доцент Головченко О.М.
Робота на 53 сторінках
Захищена в 1998 р. з оцінкою
Залікова книжка № 950200
Реєстраційний номер
м. Вінниця, 1998 р.
Зміст
2. Розрахунок процесу розширення пари в турбіні 10
3. Розрахунок термодинамічних параметрів підігрівників живильної та сітьової води 13
4. Тепловий розрахунок теплофікаційної установки 15
5. Визначення витрат пари на підігрівники живильної води 18
6. Тепловий розрахунок турбоприводу живильного насосу 31
7. Визначення потужності турбіни та електричного генератора 33
8. Визначення техніко-економічних показників блоку 36
9. Конструкторські та гідравлічні розрахунки бойлерів ТФУ 37
10. Розрахунок конденсаційної установки 48
13. Список використаної літератури 66
Вступ
Об’єднана енергосистема України стоїть в одному ряду з найбільш потужними енергосистемами промислово розвинутих країн. Встановлена потужність всіх електростанцій України складає 54,2 млн. кВт, з яких частка теплових електростанцій Міненерго – 59%.
Всього на Україні експлуатується 104 енергоблоки, значна частина яких працює вже більш як 30 років, що суттєво перевищує прийняту в світовій практиці межу фізичного та морального зносу.
Використання палива непроектної якості, велика кількість пусків, низьке середнє навантаження енергоблоків призводить до зростання долі електроенергії, що використовується на власні потреби ТЕС. У зв’язку з цим в 1996 році вони в ряді випадків на 30 – 45% перевищували проектні значення.
На збільшення витрат палива впливає також вимушене зменшення обсягів капітальних ремонтів, зумовлене браком коштів через кризу неплатежів за вироблену енергію.
Вказані фактори призвели до абсолютного підвищення питомих витрат умовного палива на відпуск у 1996 році електричної енергії на 18,9 г/кВтг і теплової на 4,5 кг/Гкал порівняно з 1900 роком. Якщо порівнювати з 1995 роком, то в 1996 році мало місце незначне зростання питомих витрат на виробництво електроенергії – на 0,7 г/кВтг, а по тепловій енергії питомі витрати знизилися на 0,4 кг/Гкал. До цього слід додати, що питомі витрати палива загалом на електростанціях Міненерго України не перевищують нормативних показників і, порівняно з ними, в 1996 році досягнуто економії у 81,3 тис. т.у.п.
Щодо електричних мереж, то в останні роки наявна тенденція до зростання технологічних витрат електроенергії (ТВЕ) на її транспортування. Так, для Міненерго України у 1996 році, порівняно з 1995 роком, вони зросли на 1,29% і склали 13,32%.
Основними причинами зростання ТВЕ є:
- зміна структури електроспоживання за рахунок зменшення частини споживачів, безпосередньо приєднаних до мереж напругою 110 кВ і вище та зменшення транзитних перетоків по магістральних мережах;
- підвищення комерційної складової витрат за рахунок значної кількості пільгових категорій споживачів, крадіжок та несплаченої частини електроенергії;
- вимушеної роботи в неоптимальних режимах, що пов’язане з обмеженням електроспоживання в години максимальних навантажень;
- погіршенням технічного стану електричних мереж внаслідок зменшення обсягів капремонту, реконструкції та заміни спрацьованого обладнання.
Для подальшого зменшення питомих витрат на виробництво і транспортування енергії на підприємствах Міненерго проводиться цілеспрямована робота щодо енергозбереження та підвищення ефективності роботи енергообладнання.
У цьому напрямі загалом Міненерго зроблено:
- розроблено і затверджено “Основні заходи щодо забезпечення енергозбереження в галузі у 1997 році”;
- розроблено і затверджено “Концепцію розвитку автоматизованих систем обліку електроенергії в умовах енергоринку”;
- розроблено “Галузеву програму заходів з енергозбереження на період до 2000 року”.
Урядом України прийнята Національна енергетична програма на період до 2010 року, якою передбачена широкомасштабна реконструкція та технічне переозброєння діючих енергетичних об’єктів з впровадженням нової техніки та прогресивних технологій. Загальна сума на здійснення такої програми визначається 9 млрд. дол. США.
Серед найважливіших проектів, які мають бути реалізовані в найближчий час, слід назвати:
- впровадження блоку 125 МВт з котлом циркулюючого киплячого шару на Луганській ТЕС;
- реалізація пілотного проекту реабілітації вугільних ТЕС із застосуванням аркових топок (блок № 8 Зміївської ТЕС);
- реконструкція блоків 800 МВт Вуглегірської ТЕС шляхом впровадження газотурбінної надбудови та ряд інших.
У співпраці зі Світовим Банком проробляються проекти реконструкції енергоблоків № 6, 7, 8 Криворізької ТЕС та завершення будівництва Дністровської ГАЕС. Окремими проектами планується розв’язання питань, пов’язаних з охороною навколишнього середовища та енергозбереженням. [З доповіді Ю.Улітіча на 2-ій міжнародній науково-практичній конференції “Управління енерговикористанням” 3-6 червня 1997 р.].
Затверджено
Зав. кафедрою ТЕГ
Ткаченко С.Й.
1.ЗАВДАННЯ
Розрахувати теплову схему блоку ТЕС 300 МВт та визначити головні конструктивні характеристики ТФУ.
Розрахунок процесу розширення пари в турбіні.
Розрахунок термодинамічних параметрів підігрівників живильної та сітьової води.
Тепловий розрахунок теплофікаційної установки.
Визначення витрат пари на підігрівники живильної води.
Тепловий розрахунок трубопроводу живильного насосу.
Визначення потужності турбіни та електричного генератора.
Визначення техніко-економічних показників блоку.
Конструкторські та гідравлічні розрахунки бойлерів ТФУ.
Розрахунок конденсаційної установки.
Чисельні характеристики завдання наведені в таблиці 1.
Таблиця 1.
|
KG |
Pпг, Мпа |
T пг°C |
tпп°C |
Pк кПа |
Qтфу, МВт |
|
1 |
29 |
600 |
600 |
3 |
15 |
Дата захисту: до 6 грудня 1998 року.
Завдання видав: ________ Головченко О.М.
Завдання прийняв: _________ Іванько М.М.
Дата: 24 вересня 1998 року.
Початкові дані:
цвт = 0.81;
цст = 0.9;
цнт = 0.84;
жн = 0.75;
мех = 0.98;
муфти = 0.98;
тжн = 0.8;
г = 0.99;
сн = 0.96;
пг = 0.91;
тр = 0.98.
t3 = t4 = t5 = t6 = 3°C;
t7 =t8 = t9 =1°C.
0 = 1 = 2 = 3 = 0,05.
4 = 5 = 6 = 7 = 8= 9 = 0,08.
P0 = 0.95Pпг = 0.95·29 = 27,55 МПа;
P1 = 0.235P0 = 0.235·27,55 = 6,47 МПа;
=
P2 = 0.1666P0
= 0.1666·27,55 = 4,589 МПа;
P3 = 0.0071P0 = 0.0071·27,55 = 1,85 МПа;
P4 = 0.0271P0 = 0.0271·27,55 = 0,75 МПа;
P5 = 0.015P0 = 0.015·27,55 = 0,41 МПа;
Pпп
= 0,9
=
0,94,589
= 4,13 МПа;
=
P6 = 0.009583P0
= 0.00958327,55
= 0,26 МПа;
P7 = 0.00471P0 = 0.0047127,55 = 0,13 МПа;
=
Pк
= 3 кПа;
Gпг = KG264 = 1264 = 264 кг/с.
2.Розрахунок процесу розширення пари в турбіні
Р
ис.
3. Процес розширення
пари в турбіні.
Для циліндра високого тиску:
i0 = 3450 кДж/кг;
=2930 кДж/кг;
=
i0 –
=
3450 – 2930 = 520 кДж/кг;
=
·цвт
= 520·0,81 = 421,2 кДж/кг;
=
i0 –
=
3450 – 421,2 = 3028,8 кДж/кг;
i1 = 3100 кДж/кг;
i2
=
=
3028,8 кДж/кг.
Для циліндра середнього тиску:
iпп = 3670 кДж/кг;
= 2860 кДж/кг;
=
i0 –
=
3670 – 2860 = 810 кДж/кг;
=
·цcт
= 810·0,9 = 729 кДж/кг;
=
iпп –
=
3670 – 729 = 2941 кДж/кг;
i3 = 3430 кДж/кг;
i4 = 3190 кДж/кг;
i5 = 3040 кДж/кг;
i6
=
=
2941 кДж/кг.
Для циліндра низького тиску:
= 2230 кДж/кг;
=
–
=
2941 – 2230 = 711 кДж/кг;
=
·цнт
= 711·0,84 = 597,24 кДж/кг;
=
–
=
2941 – 597,24 = 2343,76 кДж/кг;
i7 = 2820 кДж/кг;
i8 = 2730 кДж/кг;
i9 = 2610 кДж/кг.
3.Розрахунок термодинамічних параметрів підігрівників живильної та сітьової води
Тиск пари у відборах: Температура пари у відборах:
Pi’ = (1 - i)Pi; ti’ = f (Pi’) = C.
P1’ = 0,95 6,47 = 6,1465 МПа; t1’ = f (P1’) = 280C;
P2’ = 0,95 4,589 = 4,35955 МПа; t2’ = f (P2’) = 255C;
P3’ = 0,95 1,85 = 1,7575 МПа; t3’ = f (P3’) = 210C;
P4’ = 0,92 0,75 = 0,69 МПа; t4’ = f (P4’) = 165C;
P5’ = 0,92 0,41 = 0,3772 МПа; t5’ = f (P5’) = 140C;
P6’ = 0,92 0,26 = 0,239 МПа; t6’ = f (P6’) = 125C;
P7’ = 0,92 0,13 = 0,1196 МПа; t7’ = f (P7’) = 105C;
P8’ = 0,92 0,07 = 0,0644 МПа; t8’ = f (P8’) = 85C;
P9’ = 0,92 0,03 = 0,0276 МПа. t9’ = f (P9’) = 65C.
Ентальпії пари у відборах (знайдені в п.3):
i1 = 3100 кДж/кг;
i2 = 3030 кДж/кг;
i3 = 3430 кДж/кг;
i4 = 3190 кДж/кг;
i5 = 3040 кДж/кг;
i6 = 2940 кДж/кг;
i7 = 2820 кДж/кг;
i8 = 2730 кДж/кг;
i9 = 2610 кДж/кг.
4.Тепловий розрахунок теплофікаційної установки
Д
ано:
tосв=70°C
tпсв=
=150°C
=73°C
=120°C
Приймаємо:
t'пб= t'4 = 165°C
t'об= t'6 = 125°C
=
i4
= 3190 кДж/кг
=
i6 =
2940 кДж/кг
Визначимо витрату сітьової води:
GСВ = Qтфу103/(CpВ(tПСВ – tОСВ)) = 15103/(4,2(150 – 70)) = 44,643 кг/с.
а). Визначення витрати пари на ПБ.
=
Сpв·
=
4.2120
= 504 кДж/кг;
=
iпсв=
Сpв·tпсв=
4.2150
= 630 кДж/кг;
=
Сpв·t'пб
= 4.2165
= 693 кДж/кг.
Рівняння теплового балансу:
G
СВ
iОБВВ
+ GПБП
iПСВ4
= GСВ
iПБВВ
+ GПБДР
iПБДР;
GПБП = GПБДР.
GПБП = GПБДР = (GСВ iПБВВ - GСВ iОБВВ)/( iПСВ4 - iПБДР) =
= (44,643 630 - 44,643 504)/(3190 - 693) = 2,253 кг/с.
б). Визначення витрати пари на ОБ.
=Сpв·
=
4.2·73 = 306.6 кДж/кг;
=
Сpв·t'об
= 4.2·125 = 525 кДж/кг.
Рівняння теплового балансу:
G
СВ
iОДВВ
+ GОБП
i6
+ GПБДР
iПБДР
= GСВ
iОБВВ
+ GОБДР
iОБДР;
GОБДР = GПБДР + GОБП.
GОБДР = [GСВ(iОБВВ - iОДВВ) + GПБДР(i6 - iПБДР)] / (i6 - iОБДР) =
= [44,643(504 – 306,6) + 2,253(2941 - 693)] / (2941 - 525) = 5,744 кг/с.
GОБП = GОБДР - GПБДР = 5,744 - 2,253 = 3,491 кг/с.
Визначимо ентальпію дренажу з охолодника дренажу.
iосв= Сpв·tосв= 4.2·70 = 294 кДж/кг.
Складаємо рівняння теплового балансу:
G
СВ
iОСВ
+ GОБДР
iОБДР
= GСВ
iОДВВ
+ GОДДР
iОДДР;
GОДДР = GОБДР.
iОДДР = (GСВ (iОСВ - iОДВВ) + GОБДР iОБДР)/ GОДДР =
= (44,643 (294 – 306,6) + 5,744 525)/ 5,744 = 427,071 кДж/кг.
tОДДР = iОДДР / 4,2 = 101,7C.
5.Визначення витрат пари на підігрівники живильної води
GПГ = KG 264 = 1264 = 264 кг/с.

Знайдемо ентальпії живильної води та дренажу.
i(10-К)ДР = 4,2 tК’, кДж. tКВВ = t(10-К)’ - tК, C.
i9ДР = 4,2 280 = 1176 кДж; t9ВВ = 280 - 1 = 279 C;
i8ДР = 4,2 255 = 1071 кДж; t8ВВ = 255 - 1 = 254 C;
i7ДР = 4,2 210 = 882 кДж; t7ВВ = 210 - 1 = 209C;
i6ДР = 4,2 165 = 693 кДж; t6ВВ = 165 - 3 = 162C;
i5ДР = 4,2 140 = 588 кДж; t5ВВ = 140 - 3 = 137C;
i4ДР = 4,2 125 = 525 кДж; t4ВВ = 125 - 3 = 122C;
i3ДР = 4,2 105 = 441 кДж; t3ВВ = 105 - 3 = 102C;
i2ДР = 4,2 85 = 357 кДж; t2ВВ = 85 - 0 = 85C;
i1ДР = 4,2 65 = 273 кДж. t1ВВ = 65 - 0 = 65C.
iВВК = 4,2 tКВВ, кДж.
i1ВВ = 4,2 65 = 273 кДж;
i2ВВ = 4,2 85 = 357 кДж;
i3ВВ = 4,2 102 = 428,4 кДж;
i4ВВ = 4,2 122 = 512,4 кДж;
i5ВВ = 4,2 137 = 575,4 кДж;
i6ВВ = 4,2 162 = 680,4 кДж;
i7ВВ = 4,2 209 = 877,8 кДж;
i8ВВ = 4,2 254 = 1066,8 кДж;
i9ВВ = 4,2 279 = 1171,8 кДж.
Температура пари в конденсаторі:
t’К = f (PК) = 26°C; i’К = iВ1 = 4,2 t’К = 109,2 кДж/кг.
Перша (нульова) ітерація
Приймаємо витрати пари у відборах турбіни по 10 кг/с:
GП10 = GП20 = GП30 = GП40 = GП50 = GП60 = GП70 = GП80 = GП90 = 10 кг/с.
Витрата конденсату з конденсатора:
GК
= GВ1 = GПГ
– (
+GДРОД)
= 264 – (90 + 5,744) = 168,256 кг/с.
GВВ2 = GВВ3 = GВВ4 = GВВ5 = GВВ6 = GВВ7 = GВВ8 = GВВ9 = GПГ = 264 кг/с.
Складаємо рівняння теплового балансу для кожного підігрівника і знаходимо витрати пари на підігрівники.
Перший підігрівник
GВВ1 = GК + GП10 = 168,256 + 10 = 178,256 кг/с.
GВ1 iВ1 + GП9 iП9 = GВВ1 iВВ1;
GП11 = GП9 = (GВВ1 iВВ1 - GВ1 iВ1)/ iП9 =
= (178,256273 - 168,256109,2)/ 2610 = 11,606 кг/с.
Другий підігрівник
GВ11 iВ11 + GП8 iП8 + GОДДР iОДДР + G3ДР i3ДР = GВВ2 iВВ2;
GП21 = GП8 = (GВВ2 iВВ2 - GВВ1 iВВ1 - GОДДР iОДДР - G3ДР i3ДР)/ iП8 =
= (264357 - 178,256273 – 5,744427,071 - 70441)/ 2730 = 4,491 кг/с.
Третій підігрівник
GП7 iП7 + GВВ2 iВВ2 + G4ДР i4ДР = GВВ3 iВВ3 + G3ДР i3ДР;
GП31 = GП7 = (GВВ3 iВВ3 - GВВ2 iВВ2 – G4ДР i4ДР + G3ДР i3ДР)/ iП7 =
= (264428,4 - 264357 – 60525 + 70441)/ 2820 = 6,461 кг/с.
Четвертий підігрівник
GП6 iП6 + GВВ3 iВВ3 + G5ДР i5ДР = GВВ4 iВВ4 + G4ДР i4ДР;
GП41 = GП6 = (GВВ4 iВВ4 - GВВ3 iВВ3 – G5ДР i5ДР + G4ДР i4ДР)/ iП6 =
= (264512,4 - 264428,4 - 50588 + 60525)/ 2940 = 8,257 кг/с.
П’ятий підігрівник
GП5 iП5 + GВВ4 iВВ4 + G6ДР i6ДР = GВВ5 iВВ5 + G5ДР i5ДР;
GП51 = GП5 = (GВВ5 iВВ5 - GВВ4 iВВ4 - G6ДР i6ДР + G5ДР i5ДР)/ iП5 =
= (264575,4 - 264512,4 - 40693 + 50588)/ 3040 = 6,024 кг/с.
Шостий підігрівник
GП4 iП4 + GВВ5 iВВ5 + G7ДР i7ДР = GВВ6 iВВ6 + G6ДР i6ДР;
GП61 = GП4 = (GВВ6 iВВ6 - GВВ5 iВВ5 – G7ДР i7ДР + G6ДР i6ДР)/ iП4 =
= (264680,4 - 264575,4 - 30882 + 40693)/ 3190 = 9,085 кг/с.
Сьомий підігрівник
GП3 iП3 + GВВ6 iВВ6 + G8ДР i8ДР = GВВ7 iВВ7 + G7ДР i7ДР;
GП71 = GП3 = (GВВ7 iВВ7 - GВВ6 iВВ6 – G8ДР i8ДР + G7ДР i7ДР)/ iП3 =
= (264877,8 - 264680,4 - 201071 + 30882)/ 3430 = 16,663 кг/с.
Восьмий підігрівник
GП2 iП2 + GВВ7 iВВ7 + G9ДР i9ДР = GВВ8 iВВ8 + G8ДР i8ДР;
GП81 = GП2 = (GВВ8 iВВ8 - GВВ7 iВВ7 – G9ДР i9ДР + G8ДР i8ДР)/ iП2 =
= (2641066,8 - 264877,8 - 101176 + 201071)/ 3030 = 19,655 кг/с.
Дев’ятий підігрівник
GП1 iП1 + GВВ8 iВВ8 + G10ДР i10ДР = GВВ9 iВВ9 + G9ДР i9ДР;
GП91 = GП1 = (GВВ9 iВВ9 - GВВ8 iВВ8 – G10ДР i10ДР + G9ДР i9ДР)/ iП1 =
= (2641171,8 - 2641066,8 - 0 + 101176)/ 3100 = 12,735 кг/с.
Маємо на першій ітерації такі витрати пари на підігрівники:
GП11 = 11,606 кг/с; GП21 = 4,491 кг/с; GП31 = 6,461 кг/с;
GП41 = 8,257 кг/с.; GП51 = 6,024 кг/с; GП61 = 9,085 кг/с;
GП71 = 16,663 кг/с; GП81 = 19,655 кг/с; GП91 = 12,735 кг/с.
=
94,977 кг/с.
Друга ітерація
(Аналогічно першій ітерації)
G3ДР
=
-
GП11 - GП21
= 94,977 - 11,606 - 4,491 = 78,88 кг/с.
G4ДР = G3ДР - GП31 = 78,88 – 6,461 = 72,419 кг/с.
G5ДР = G4ДР - GП41 = 72,419 – 8,257 = 64,162 кг/с.
G6ДР = G5ДР - GП51 = 64,162 – 6,024 = 58,138 кг/с.
G7ДР = G6ДР - GП61 = 58,138 – 9,085 = 49,053 кг/с.
G8ДР = G7ДР - GП71 = 49,053 – 16,663 = 32,39 кг/с.
G9ДР = G8ДР - GП81 = 32,39 – 19,655 = 12,735 кг/с.
GК
= GПГ –
(
+GДРОД)
= 264 – (94,977 + 5,744) = 163,279 кг/с.
GВВ1 = GК + GП11 = 163,279 + 11,606 = 174,885 кг/с.
GП12 = (GВВ1 iВВ1 - GВ1 iВ1)/ iП9 =
= (174,885273 - 174,885109,2)/ 2610 = 10,975 кг/с.
GП22 = (GВВ2 iВВ2 - GВВ1 iВВ1 - GОДДР iОДДР - G3ДР i3ДР)/ iП8 =
= (264357 - 174,885273 – 5,744427,071 - 78,88441)/ 2730 = 3,394 кг/с.
GП32 = (GВВ3 iВВ3 - GВВ2 iВВ2 – G4ДР i4ДР + G3ДР i3ДР)/ iП7 =
= (264428,4 - 264357 – 72,419525 + 78,88441)/ 2820 = 5,537 кг/с.
GП42 = (GВВ4 iВВ4 - GВВ3 iВВ3 – G5ДР i5ДР + G4ДР i4ДР)/ iП6 =
= (264512,4 - 264428,4 - 64,162588 + 72,419525)/ 2940 = 7,642 кг/с.
GП52 = (GВВ5 iВВ5 - GВВ4 iВВ4 – G6ДР i6ДР + G5ДР i5ДР)/ iП5 =
= (264575,4 - 264512,4 - 58,138693 + 64,162588)/ 3040 = 4,628 кг/с.
GП62 = (GВВ6 iВВ6 - GВВ5 iВВ5 – G7ДР i7ДР + G6ДР i6ДР)/ iП4 =
= (264680,4 - 264575,4 - 49,053882 + 58,138693)/ 3190 = 7,757 кг/с.
GП72 = (GВВ7 iВВ7 - GВВ6 iВВ6 – G8ДР i8ДР + G7ДР i7ДР)/ iП3 =
= (264877,8 - 264680,4 - 32,391071 + 49,053882)/ 3430 = 17,693 кг/с.
GП82 = (GВВ8 iВВ8 - GВВ7 iВВ7 – G9ДР i9ДР + G8ДР i8ДР)/ iП2 =
= (2641066,8 - 264877,8 - 12,7351176 + 32,391071)/ 3030 = 22,973 кг/с.
GП92 = (GВВ9 iВВ9 - GВВ8 iВВ8 – G10ДР i10ДР + G9ДР i9ДР)/ iП1 =
= (2641171,8 - 2641066,8 - 0 + 12,7351176)/ 3100 = 13,773 кг/с.
Маємо на другій ітерації такі витрати пари на підігрівники:
GП12 = 10,975 кг/с; GП22 = 3,394 кг/с; GП32 = 5,537 кг/с;
GП42 = 7,642 кг/с; GП52 = 4,628 кг/с; GП62 = 7,757 кг/с;
GП72 = 17,693 кг/с; GП82 = 22,973 кг/с; GП92 = 13,773 кг/с.
=
94,372 кг/с.
Третя ітерація
G3ДР
=
-
GП1 - GП2
= 94,372 - 10,975 - 3,394 = 80.003.
G4ДР = G3ДР - GП32 = 80.003 - 5,537 = 74,466.
G5ДР = G4ДР - GП42 = 74,466 - 7,642 = 66,824.
G6ДР = G5ДР - GП52 = 66,824 - 4,628 = 62,196.
G7ДР = G6ДР - GП62 = 62,196 - 7,757 = 54,439.
G8ДР = G7ДР - GП72 = 54,439 - 17,693 = 36,746.
G9ДР = G8ДР - GП82 = 36,746 - 22,973 = 13,773.
GК
= GВ1 = GПГ
- (
+GДРОД)
= 264 -(94,372+5,744) = 163,884 кг/с.
GВВ1 = GК + GП12 = 163,884 + 10,975 = 174,859 кг/с.
GП13 = (GВВ1 iВВ1 - GВ1 iВ1)/ iП9 =
= (174,859273 - 174,859109,2)/ 2610 = 10,974 кг/с.
GП23 = (GВВ2 iВВ2 - GВВ1 iВВ1 - GОДДР iОДДР - G3ДР i3ДР)/ iП8 =
= (264357 - 174,859273 – 5,744427,071 - 80.003441)/ 2730 = 3,215 кг/с.
GП33 = (GВВ3 iВВ3 - GВВ2 iВВ2 – G4ДР i4ДР + G3ДР i3ДР)/ iП7 =
= (264428,4 - 264357 – 74,466525 + 80.003441)/ 2820 = 5,332 кг/с.
GП43 = (GВВ4 iВВ4 - GВВ3 iВВ3 – G5ДР i5ДР + G4ДР i4ДР)/ iП6 =
= (264512,4 - 264428,4 - 66,824588 + 74,466525)/ 2940 = 7,476 кг/с.
GП53 = (GВВ5 iВВ5 - GВВ4 iВВ4 – G6ДР i6ДР + G5ДР i5ДР)/ iП5 =
= (264575,4 - 264512,4 - 62,196693 + 66,824588)/ 3040 = 4,218 кг/с.
GП63 = (GВВ6 iВВ6 - GВВ5 iВВ5 – G7ДР i7ДР + G6ДР i6ДР)/ iП4 =
= (264680,4 - 264575,4 - 54,439882 + 62,196693)/ 3190 = 7,149 кг/с.
GП73 = (GВВ7 iВВ7 - GВВ6 iВВ6 – G8ДР i8ДР + G7ДР i7ДР)/ iП3 =
= (264877,8 - 264680,4 - 36,7461071 + 54,439882)/ 3430 = 17,718 кг/с.
GП83 = (GВВ8 iВВ8 - GВВ7 iВВ7 – G9ДР i9ДР + G8ДР i8ДР)/ iП2 =
= (2641066,8 - 264877,8 - 13,7731176 + 36,7461071)/ 3030 = 24,11 кг/с.
GП93 = (GВВ9 iВВ9 - GВВ8 iВВ8 – G10ДР i10ДР + G9ДР i9ДР)/ iП1 =
= (2641171,8 - 2641066,8 - 0 + 13,7731176)/ 3100 = 14,167 кг/с.
Маємо на третій ітерації такі витрати пари на підігрівники:
GП13 = 10,974 кг/с; GП23 = 3,215 кг/с; GП33 = 5,332 кг/с;
GП43 = 7,476 кг/с; GП53 = 4,218 кг/с; GП63 = 7,149 кг/с;
GП73 = 17,718 кг/с; GП83 = 24,11 кг/с; GП93 = 14,167 кг/с.
=
94,359 кг/с.
|GП13 - GП12|= |10,974 - 10,975| = 0,001 0,2;
|GП23 - GП22|= |3,215 - 3,394| = 0,179 0,2;
|GП43 - GП42|= |7,476 - 7,642| = 0,166 0,2;
|GП73 - GП72|= |17,718 - 17,693| = 0,025 0,2.
(1, 2, 4, та 7-ий підігрівники далі не розраховуються).
Четверта ітерація
G3ДР
=
-
GП13 - GП23
= 94,359 - 10,974 - 3,215 = 80,17.
G4ДР = G3ДР - GП33 = 80,17 - 5,332 = 74,838.
G5ДР = G4ДР - GП43 = 74,838 - 7,476 = 67,362.
G6ДР = G5ДР - GП53 = 67,362 - 4,218 = 63,144.
G7ДР = G6ДР - GП63 = 63,144 - 7,149 = 55,995.
G8ДР = G7ДР - GП73 = 55,995 - 17,718 = 38,277.
G9ДР = G8ДР - GП83 = 38,277 - 24,11 = 14,167.
GК
= GВ1 = GПГ-(
+GДРОД)
= 264 - (94,359+5,744) = 163,897 кг/с.
GВВ1 = GК + GП13 = 163,897 + 10,974 = 174,871 кг/с.
GП34 = (GВВ3 iВВ3 - GВВ2 iВВ2 – G4ДР i4ДР + G3ДР i3ДР)/ iП7 =
= (264428,4 - 264357 – 74,838525 + 80,17441)/ 2820 = 5,289 кг/с.
GП54 = (GВВ5 iВВ5 - GВВ4 iВВ4 – G6ДР i6ДР + G5ДР i5ДР)/ iП5 =
= (264575,4 - 264512,4 - 63,144693 + 67,362588)/ 3040 = 4,106 кг/с.
GП64 = (GВВ6 iВВ6 - GВВ5 iВВ5 – G7ДР i7ДР + G6ДР i6ДР)/ iП4 =
= (264680,4 - 264575,4 - 55,995882 + 63,144693)/ 3190 = 6,925 кг/с.
GП84 = (GВВ8 iВВ8 - GВВ7 iВВ7 – G9ДР i9ДР + G8ДР i8ДР)/ iП2 =
= (2641066,8 - 264877,8 - 14,1671176+38,2771071)/ 3030 = 24,498 кг/с.
GП94 = (GВВ9 iВВ9 - GВВ8 iВВ8 – G10ДР i10ДР + G9ДР i9ДР)/ iП1 =
= (2641171,8 - 2641066,8 - 0 + 14,1671176)/ 3100 = 14,316 кг/с.
Маємо на четвертій ітерації такі витрати пари на підігрівники:
GП34 = 5,289 кг/с; GП54 = 4,106 кг/с; GП64 = 6,925 кг/с;
GП84 = 24,498 кг/с; GП94 = 14,316 кг/с.
=
94,517 кг/с.
|GП34 - GП33|= |5,289 - 5,332| = 0,043 0,2;
|GП54 - GП53|= |4,106 - 4,218| = 0,112 0,2;
|GП94 - GП93|= |14,316 - 14,167| = 0,149 0,2.
(3, 5, та 9-ий підігрівники далі не розраховуються).
П’ята ітерація
G3ДР
=
-
GП14 - GП24
= 94,517 – 10,974 - 3,215 =
80,328.
G4ДР = G3ДР - GП34 = 80,328 - 5,289 = 75,039.
G5ДР = G4ДР - GП44 = 75,039 - 7,476 = 67,563.
G6ДР = G5ДР - GП54 = 67,563 - 4,106 = 63,457.
G7ДР = G6ДР - GП64 = 63,457 - 6,925 = 56,532.
G8ДР = G7ДР - GП74 = 56,532 - 17,718 = 38,814.
G9ДР = G8ДР - GП84 = 38,814 - 24,498 = 14,316.
GК
= GВ1 = GПГ-(
+GДРОД)
= 264 - (94,517+5,744) = 163,739 кг/с.
GВВ1 = GК + GП14 = 163,739 + 10,974 = 174,713 кг/с.
GП65 = (GВВ6 iВВ6 - GВВ5 iВВ5 – G7ДР i7ДР + G6ДР i6ДР)/ iП4 =
= (264680,4 - 264575,4 - 56,532882 + 63,457693)/ 3190 = 6,845 кг/с.
GП85 = (GВВ8 iВВ8 - GВВ7 iВВ7 – G9ДР i9ДР + G8ДР i8ДР)/ iП2 =
= (2641066,8 - 264877,8 - 14,3161176+38,8141071)/ 3030 = 24,630 кг/с.
Маємо на п’ятій ітерації такі витрати пари на підігрівники:
GП65 = 6,845 кг/с; GП85 = 24,630 кг/с.
=
94,57 кг/с.
|GП65 - GП64|= |6,845 - 6,925| = 0,08 0,2;
|GП85 - GП84|= |24,630 - 24,498| = 0,132 0,2.
(Досягнуто необхідної точності для всіх підігрівників).
Таблиця GПі , кг/с = f(N) ітерації:
Таблиця 6.1.
|
N |
GП1 |
GП2 |
GП3 |
GП4 |
GП5 |
GП6 |
GП7 |
GП8 |
GП9 |
|
1 |
11,606 |
4,491 |
6,461 |
8,257 |
6,024 |
9,085 |
16,663 |
19,655 |
12,735 |
|
2 |
10,975 |
3,394 |
5,537 |
7,642 |
4,628 |
7,757 |
17,693 |
22,973 |
13,773 |
|
3 |
10,974 |
3,215 |
5,332 |
7,476 |
4,218 |
7,149 |
17,718 |
24,11 |
14,167 |
|
4 |
--- |
--- |
5,289 |
--- |
4,106 |
6,925 |
--- |
24,498 |
14,316 |
|
5 |
--- |
--- |
--- |
--- |
--- |
6,845 |
--- |
24,630 |
--- |
6.Тепловий розрахунок турбоприводу живильного насосу
Потужність живильного насосу:

Vж.в. = 0,001 м3/кг;
Рж.н. = Pввжн – Pвжн= Рпг1,25 + 3·0.2 – 1,8 = 35,05 МПа;
ж.н. = 0,75;
Gж.в. = Gпг = 264 кг/с;
12337,6
кВт.
Пар на ТПН беремо з третього відбору і повертаємо в сьомий.
Потужність турбоприводу живильного насосу:
=
12589,4 кВт.
Б
удуємо
процес розширення
пари в ТПН:
Н0ТПН = і3 - іТПНвихл = 3430 – 2760 = 670 кДж/кг;
НдійснТПН = Н0ТПНТПН = 670 0,8 = 536 кДж/кг.
Витрата пари на ТПН:
23,488
кг/с.
7.Визначення потужності турбіни та електричного генератора
Р
озрахунок
витрати пари
на відсіки
турбіни:
G0 = GПГ = 264 кг/с;
G1 = G0 – GП9 = 264 – 14,316 = 249,684 кг/с;
G2 = G1 – GП8 = 249,684 – 24,630 = 225,054 кг/с;
G3 = G2 – GП7 – GТПН = 225,054 – 17,718 – 23,488 = 183,848 кг/с;
G4 = G3 – GП6 – GПБ = 183,848 – 6,845 – 2,253 = 174,75 кг/с;
G5 = G4 – GП5 = 174,75 – 4,106 = 170,644 кг/с;
G6 = G5 – GП4 – GОБ = 170,644 – 7,476 – 3,491 = 159,677 кг/с;
G7 = G6 – GП3 + GТПН = 159,677 – 5,289 + 23,488 = 177,876 кг/с;
G8 = G7 – GП2 = 177,876 – 3,215 = 174,661 кг/с;
G9 = G8 – GП1 = 174,661 – 10,974 = 163,687 кг/с.
Знайдемо роботу по ділянкам турбіни:
i0 = i0 – i1 = 3450 – 3100 = 350 кДж/кг;
i1 = i1 – i2 = 3100 – 3030 = 70 кДж/кг;
i3 = iПП – i3 = 3670 – 3430 = 240 кДж/кг;
i4 = i3 – i4 = 3430 – 3190 = 240 кДж/кг;
i5 = i4 – i5 = 3190 – 3040 = 150 кДж/кг;
i6 = i5 – i6 =3040 – 2940 = 100 кДж/кг;
i7 = i6 – i7 = 2940 – 2820 = 120 кДж/кг;
i8 = i7 – i8 = 2820 – 2730 = 90 кДж/кг;
i9 = i8 – i9 = 2730 – 2610 = 120 кДж/кг;
i10 = i9 – iцнтвихл =2610 – 2340 = 270 кДж/кг.
Потужність ділянок турбіни:
N0 = G0i0 = 264350 = 92400 кВт;
N1 = G1i1 = 249,68470 = 17477,88 кВт;
N3 = G2i3 = 225,054240 = 54012,96 кВт;
N4 = G3i4 = 183,848240 = 44123,52 кВт;
N5 = G4i5 = 174,75150 = 26212,5 кВт;
N6 = G5i6 = 170,644100 = 17064,4 кВт;
N7 = G6i7 = 159,677120 = 19161,24 кВт;
N8 = G7i8 = 177,87690 = 16008,84 кВт;
N9 = G8i9 = 174,661120 = 20959,32 кВт;
N10 = G9i10 = 163,687270 = 44195,49 кВт.
Nтурб= N1 + N3 + N4 + N5 + N6 + N7 + N8 + N9 + N10 =
= 351616,15 кВт = 351,6 МВт;
Nег = Nтурб·мех·г·сн = 351616,150.980.990.96 =
= 327492,47 кВт = 327,5 МВт.
8.Визначення техніко-економічних показників блоку
iжв = iвв9 = 1171,8 кДж/кг;
Qпг = Gпг·(i0 - iжв) = 264·(3450 - 1171,8) = 601444,8 кВт;
Gпп = G2 = 225,054 кг/с;
Qпп = Gпп·(iпп
-
)
= 225,054·(3670 - 3028,8) = 144304,6248 кВт;
Q = Qпг+ Qпп - Qтфу= 601444,8 + 144304,6 – 15000 = 730749,4 кВт;
N = Nег·пг·тр = 327492,47·0.91·0.98 = 292057,8 кВт.
ККД блока:

Визначимо питому витрату тепла:
.
Питома витрата умовного палива:

9.Конструкторські та гідравлічні розрахунки бойлерів ТФУ
Загальні початкові дані:
|
Величина |
Позначення |
Значення |
|
Внутрішній діаметр труб |
dвн |
13.6 м |
|
Швидкість води в трубах |
Wв |
2 м/с |
|
Кількість ходів по воді |
z |
4 |
|
Крок труб |
Sтр |
22 мм |
|
Зазор між трубною дошкою і корпусом |
A |
0.1 м |
|
Зовнішній діаметр труб |
dн |
16 м |
|
Відстань між перегородками |
lпер |
0.5 м |
|
Товщина стінки труби |
ст |
2.4 мм |
|
Коефіцієнт запасу поверхні |
|
1.2 |
|
Кількість перегородок |
nпер |
10 |
|
Товщина перегородки |
пер |
5 мм |
|
Товщина трубної дошки |
lтр |
0.1 м |
|
Середній радіус перегину |
Rср |
0.5м |
|
Діаметр патрубка підводу води |
D |
0.6 м |
|
Абсолютна шорсткість патрубка |
Kшпатр |
0.44 мм |
|
Абсолютна шорсткість патрубка |
Kштр |
0.1 мм |
| |
0.76 |
|
|
с |
8.3 коп |
|
|
Кількість годин праці |
|
6500 год |
|
Питома вартість |
Cсп |
300 грн. |
|
Eн |
0.15 |
|
|
сп |
0.07 |
|
|
Динамічна в’язкість води |
в |
93.4·10-6 |
|
Число Прандтля |
Pr |
0.852 |
|
Коефіцієнт теплопровідності води |
в |
581.4·10-3
|
|
Теплопровідність |
ст |
41
|
Розрахунок основного бойлера.
Дані, знайдені в п.3:
Gсв = 44.643 кг/с
iв =306.6 кДж/кг
iвв=504 кДж/кг
tв=73 °C
tвв=120 °C
ts=125 °C
Кількість
трубок в одному
вході:
шт.
Кількість
отворів в трубних
дошках:
шт.
Діаметр
трубної дошки:
м.
Діаметр
корпуса підігрівника:
м.
Теплове
навантаження
підігрівника:
кВт.
Середньологарифмічний
температурний
напір:
.
Середня
температура
води:
.
Число
Рейнольдса:
.
Коефіцієнт
тепловіддачі
від пари до
стінки:

Термічний
опір:

Середній
діаметр:
м.
Схована
теплота пароутворення:
Термічний
опір стінки:

Термічна
провідність
стінки:

Перше
наближення
по температурі
стінки:

Температура
конденсату:
![]()
Температурна
різниця “пара-стінка":
![]()
Комплекс
A:
![]()
Коефіцієнт
тепловіддачі:

Термічний
опір:
![]()
Коефіцієнт
теплопередачі:

Поверхня
теплообміну:

Друге
наближення
по температурі
стінки:


![]()
![]()
![]()





Третє наближення по температурі стінки:

![]()
![]()
![]()





Четверте наближення по температурі стінки:

![]()
![]()
![]()





![]()
Загальна
довжина труб:

Розрахункова
довжина труб
одного ходу:
![]()
Довжина
труб, зайнятих
перегорожами
і трубними
дошками:

Максимальний
радіус гину
труби:

Максимальна
довжина труб:
![]()
Довжина
прямої ділянки
труби:
![]()
Швидкість
в патрубку:

Число
Рейнольдса:

Коефіцієнт:
Коефіцієнт
втрат патрубка:

Втрати
по всій довжині:
![]()
Гідравлічні
втрати в патрубках:

Коефіцієнт
втрат по трубках:

Сумарні
втрати по трубах:
![]()
Гідравлічний
опір труб поверхні
теплообміну:

Сумарні
втрати:
![]()
Зміна
потужності
сітьових насосів:

Затрати
на виробку
електроенергії
на замінюючій
електростанції:
![]()
Капіталовкладення
в сітьові
підігрівники:
![]()
Втрати
на сітьові
підігрівники:
![]()
Сумарні
затрати:
![]()
Розрахунок пікового бойлера
Дані, знайдені в п.3:
Gв = 44,643 кг/с;
iв=504 кДж/кг;
iвв=630 кДж/кг;
tв=120 °C;
tвв=150 °C;
ts=165 °C.
Кількість
трубок в одному
вході:
шт.
Кількість
отворів в трубних
дошках:
шт.
Діаметр
трубної дошки:
м.
Діаметр
корпуса підігрівника:
м.
Теплове
навантаження
підігрівника:
кВт.
Середньологарифмічний
температурний
напір:
.
Середня
температура
води:
.
Число
Рейнольдса:
.
Коефіцієнт
тепловіддачі
від пари до
стінки:
Термічний
опір:

Середній
діаметр:
м.
Схована
теплота пароутворення:
Термічний
опір стінки:

Термічна
провідність
стінки:

Перше
наближення
по температурі
стінки:

Температура
конденсату:
![]()
Температурна
різниця “пара-стінка":
![]()
Комплекс
A:
![]()
Коефіцієнт
тепловіддачі:

Термічний
опір:
![]()
Коефіцієнт
теплопередачі:

Поверхня
теплообміну:

Друге
наближення
по температурі
стінки:


![]()
![]()
![]()





Третє наближення по температурі стінки:

![]()
![]()
![]()





Четверте наближення по температурі стінки:

![]()
![]()
![]()





П’яте наближення по температурі стінки:
![]()
![]()
![]()
![]()
![]()





![]()
Загальна
довжина труб:

Розрахункова
довжина труб
одного ходу:
![]()
Довжина
труб, зайнятих
перегорожами
і трубними
дошками:

Максимальний
радіус гину
труби:

Максимальна
довжина труб:
![]()
Довжина
прямої ділянки
труби:
![]()
Швидкість
в патрубку:

Число
Рейнольдса:

Коефіцієнт:
Коефіцієнт
втрат патрубка:

Втрати
по всій довжині:
![]()
Гідравлічні
втрати в патрубках:

Коефіцієнт
втрат по трубках:
Сумарні
втрати по трубах:
![]()
Гідравлічний
опір труб поверхні
теплообміну:

Сумарні
втрати:
![]()
Зміна
потужності
сітьових насосів:

Затрати
на виробку
електроенергії
на замінюючій
електростанції:
![]()
Капіталовкладення
в сітьові
підігрівники:
![]()
Втрати
на сітьові
підігрівники:
![]()
Сумарні
затрати:
![]()
10.Розрахунок конденсаційної установки
Загальні початкові дані:
Таблиця 11.1
|
Величина |
Позначення |
Значення |
|
Тиск пари, ата |
Рп |
0,06 |
|
Температура пари, С |
tк |
35,85 |
|
Питомий об’єм пари, м3/кг |
Vп |
30 |
|
Температура води на вході, С |
t1 |
12 |
|
Число ходів води |
Z |
2 |
|
Швидкість води, м/с |
|
2 |
|
Кількість конденсаторів |
N |
1 |
|
Зовнішній діаметр трубок, мм |
dн |
28 |
|
Внутрішній діаметр трубок, мм |
dвн |
26 |
|
Коефіцієнт заповнення трубної дошки |
тр |
0,3 |
|
Активна довжина труби, м |
Lакт |
8,9 |
Коефіцієнт чистоти трубок |
з |
0,8 |
|
Коефіцієнт похибки методу розрахунку коефіцієнта теплопередачі |
|
0,9 |
|
Питома вартість системи техводопостачання, грн./(м3/год) |
Cтвс |
16 |
|
Питома вартість поверхні теплообміну, грн./м2 |
CК |
28 |
|
Питома вартість енергії приводу циркуляційних насосів, коп./(кВтгод) |
Сц.н. |
1,3 |
|
Питома вартість землі, грн./(м2год) |
Cсх |
0 |
|
Висота підйому води циркуляційним насосом, м |
H |
10 |
|
Коефіцієнт поправки на парове навантаження |
d |
1 |
|
Коефіцієнт похибки методу розрахунку коефіцієнта теплопередачі |
|
0,9 |
Дані,
знайдені в
п.3: iп
= iк
=
=
2343,76 кДж/кг.

Витрата пари на конденсатор, знайдена в п.8:
GK = G9 = 163,6873600 = 589273,2 кг/год.
Коефіцієнт поправки на температуру:
![]()
Коефіцієнт поправки на число ходів:

Коефіцієнт поправки на швидкість води:

Коефіцієнт теплопередачі:

Комплекс:

Кратність охолодження:

Масова витрата охолоджуючої води:

Нагрів води:

Температура води на виході:
![]()
Температурний напір:
![]()
Середній температурний напір:

Теплота, що передається:

Поверхня теплообміну:
м2.
Питоме парове навантаження:
dк = Gк /Fк = 589273,2 /8206 = 71,814 кг/(м2год).
Кількість труб:
шт.
Діаметр трубної дошки:
м.
Гідравлічний опір:

Паровий опір:

Відношення

Потужність циркуляційних насосів:
кВт.
Активна площа водосховища:
км2.
Витрати на техводопостачання:
грн./рік.
Витрати на конденсатори:
грн./рік.
Витрати на електроенергію насосів:
грн./рік.
11.Додаток
Задача № 1. (№ 1, стор. 45).
Газ – повітря з початковою температурою t1 = 27С стискається в одноступеневому поршневому компресорі від тиску р1 = 0,1 МПа до тиску р2. Стиск може відбуватися по ізотермі, адіабаті та політропі з покажчиком політропи n. Визначити для кожного з трьох процесів стиску кінцеву температуру газу t2, відведену від газу теплоту Q, кВт, та теоретичну потужність компресора, якщо його паропродуктивність G. Подати зведену таблицю. Дані, необхідні для розв’язку задачі, вибрати з таблиці 13. Розрахунок вести без врахування залежності теплоємності від температури.
|
№ варіанту |
t1, С |
n |
G, кг/год |
р1, МПа |
р2, МПа |
|
00 |
27 |
1,25 |
300 |
0,1 |
0,9 |
T2, Q, N – ?
Розв’язок:
1). Ізотермічний процес. t1 = t2 = 27C; U = 0;
Дж/кг;
Дж/кг;
Вт;
Дж/(кггр);
Потужність приводу:
Вт.
2).
Адіабатичний
процес.
; kповітря
= 1,4; q
= 0.
![]()
K;
Дж/кг;
Дж/кг;
кВт.
3).
Політропний
процес.
;
K;
Дж/кг;
Дж/кг;
Дж/кг;

Вт;
Вт.

Зведена таблиця:
|
Процес |
Т2, К |
q |
U |
l |
S |
Nпр, кВт |
|
кДж/кг |
||||||
|
Ізотерм. |
300 |
189,2 |
0 |
-189,2 |
-0,63 |
-15,7 |
|
Адіабат. |
562 |
0 |
187,9 |
-187,9 |
0 |
-21,9 |
|
Політроп. |
465,5 |
-71,2 |
118,7 |
-189,9 |
-0,189 |
-19,8 |
Задача № 4, (№4, стор. 47).
Визначити поверхню нагріву рекуперативного газоповітряного теплообмінника при прямоточній та протиточній схемах руху теплоносіїв, якщо об’ємна витрата повітря, що нагрівається при нормальних умовах Vн, середній коефіцієнт теплопередачі від продуктів згоряння до повітря К, початкові і кінцеві температури продуктів згоряння та повітря відповідно t'1, t''1, t'2, t''2. дані необхідні для вирішення задачі, вибрати з табл. 16.
|
№ варіанту |
VH, м3/год |
K, Вт/(м2К) |
t'1C |
t''1C |
t'2C |
t''2C |
|
00 |
1000 |
18 |
600 |
400 |
20 |
300 |
Розв’язок:
Поверхня нагріву, м2:

Масова витрата повітря:

Теплоємність повітря: Срп = 1,03 кДж/кг;
Потік тепла від газу до повітря:
Q = Cpпmпtп = 1,030,215(300 – 20) = 62 кВт;
Середня логарифмічна різниця температур:

а).
Прямоток: ![]()
![]()


а).
Протиток: ![]()
![]()


Задача № 3. (№1, стор. 48).
Задано паливо та паропродуктивність котельного агрегату D. Визначити склад робочої маси палива та його найменшу теплоту згоряння, спосіб спалення палива, тип топки, значення коефіцієнта надлишку повітря в топці т та на виході з котлоагрегату ух по величині присоса повітря по газовому тракту (); знайти необхідну кількість повітря для згоряння 1 кг (1 м3) палива і об’єми продуктів згоряння при ух, а також ентальпію газів при заданній температурі tух. Вихідні дані, необхідні для розв’язку задачі, прийняти з табл. 17.
Вказівка. Елементарний склад і нижча теплота згоряння палива, а також рекомендації щодо вибору топки і коефіцієнта надлишку повітря в топці приведені в додатках 5-8 методичних вказівок.
|
№ варіанту |
Вид палива |
D, т/год |
|
tух, C |
|
00 |
Челябінське вугілля Б3 (буре) |
160 |
0,15 |
130 |
Розв’язок:
WP = 18; AP = 29,5; SP = 1; CP = 37,3; HP = 2,8;
NP
= 0,9; OP
= 10,5;
=13,9
МДж/кг.
Тип топки – шахтно-млинова.
Коефіцієнт надлишку повітря в топці: Т = 1,25.
Коефіцієнт надлишку повітря за котлом: = Т + = 1,25 + 0,15 = 1,4.
Теоретична кількість повітря:
V0 = 0,089CP + 0,265HP + 0,033(SP - OP) =
= 0,08937,3 + 0,2652,8 + 0,033(1 – 10,5) = 3,75 м3/кг;
Об’єм надлишкового повітря:
V = ( - 1)V0 = (1,4 – 1)3,75 = 1,5 м3/кг;
Теоретичний об’єм трьохатомних газів:
VRO2 = 0,0186(CP + 0,375SP) = 0,0186(37,3 + 0,3751) = 0,701 м3/кг;
Теоретичний об’єм двохатомних газів:
VR2 = 0,79V0 + 0,008NP = 0,793,75 + 0,0080,9 = 2,97 м3/кг;
Дійсний об’єм сухих газів:
Vсг = VRO2 + VR2 + V = 0,701 + 2,97 + 1,5 = 5,171 м3/кг;
Теоретичний об’єм водяної пари:
VH2O = 0,0124(9HP + WP) + 0,0161 V0 =
= 0,0124(92,8 + 18) + 0,01613,75 = 0,596 м3/кг;
Загальний об’єм газів:
V = Vсг + VH2O = 5,171 + 0,596 = 5,767 м3/кг;
Ентальпія газів:
Iух = [(ViCi)]tух = (VRO2CRO2 + VR2CR2 + VH2OCH2O + VCB)tух.
Об’ємна теплоємність сухих газів, водяної пари та повітря при tух = 130C, кДж/(м3гр): CRO2 = 1,8; CR2 = 1,3; CH2O = 1,52; CB = 1,3.
Iух = (0,7011,8 + 2,971,3 + 0,5961,52 + 1,51,3)130 = 1037,2 кДж/кг.
Задача № 2. (№2, стор. 46).
Водяний пар з початковим тиском р1 = 3 МПа та ступенем сухості х1 = 0,95 надходить в пароперегрівач, де його температура підвищується на t; після перегрівача пар ізотропно розширюється в турбіні до тиску р2. Визначити (по hs – діаграмі) кількість теплоти (на 1 кг пара), підведеної до нього в пароперегрівачі, роботу циклу Ренкіна та ступінь сухості пара х2 в кінці розширення. Визначити також термічний ККД циклу. Визначити роботу циклу і кінцеву ступінь сухості, якщо після пароперегрівача пар дроселюється до тиску р1’. Дані, необхідні для вирішення задачі, вибрати з таблиці 14.
|
t, C |
p2, кПа |
p1’, МПа |
|
235 |
3,0 |
0,50 |
Розв’язок:

і0 = 2635 кДж/кг; t1’ = 140C;
tпп = t1’ + t = 140 + 235 = 375C;
iпп = 3240 кДж/кг;
qпп = iпп – i0 = 3240 – 2635 = 605 кДж/кг;
x2 = 0,912; iK = 2340 кДж/кг;
l = iпп - iK = 3240 – 2340 = 900 кДж/кг;
tK’ = 24C;
iK’ = CPBtK’ = 4,224 = 100,8 кДж/кг;
q = iпп - iK’ = 3240 – 100,8 = 3139,2 кДж/кг;
у = l /q = 900 /3139,2 = 0,29.
Pдр = 0,5 МПа; iKдр = 2300 кДж/кг; х2др = 0,9.
lдр = iпп – iКдр = 3240 – 2300 = 940 кДж/кг.
Задача № 5. (№4, стор. 50).
Визначити діаметр циліндру і ход поршня чотирьохтактного .ДВЗ по відомим значенням ефективної потужності , середнього індикаторного тиску, механічного ККД , кількості обертів двигуна і відношення . Розрахувати годинну і ефективну питому витрату палива, якщо індикаторний ККД двигуна , а нижча теплота згоряння МДж/кг. Вихідні дані, необхідні для розв’язку задачі, наведені в таблиці.
|
№ варіанту |
Ne, кВт |
n, об/хв |
pi, кПа |
z |
i |
м |
S/D |
|
00 |
100 |
2100 |
600 |
4 |
0,38 |
0,81 |
0,95 |
Розв’язок:
Робочий об’єм циліндра:



![]()
Витрата палива:

де
-
індикаторна
потужність: 

Ефективна питома витрата палива:

Задача № 7. (№3, стор. 47).
По горизонтально розташованій металевій трубі [ = 20 Вт/(мК)] зі швидкістю тече вода, яка має температуру tв. зовні труба охолоджується оточуючим повітрям, температура якого tпов, тиск 0,1 МПа. Визначити коефіцієнти тепловіддачі 1 і 2 відповідно від води до стінки труби та від стінки труби до повітря; коефіцієнт теплопередачі та тепловий потік q1, віднесений до 1 м труби довжини труби, якщо внутрішній діаметр труби дорівнює d1, а зовнішній – d2. Дані, необхідні для розв’язку задачі, вибрати з таблиці 15.
|
№ варіанту |
tв, С |
, м/с |
tвоз, С |
d1, мм |
d2, мм |
|
00 |
200 |
0,42 |
18 |
190 |
210 |
Розв’язок:
Лінійний
тепловий потік: ![]()
-
коефіцієнт
теплопередачі,
для циліндричної
стінки:


Критерій Рейнольдса для води:
;
.
Так
як
то
.
Критерій Прандтля
=
1,05.
![]()


Для знаходження 1 знайдемо добуток GrPr.
Для повітря з t = 18С: Pr = 0,7; V = 13,610-6 м2/с;
= 2,4610-2 Вт/(мград).
;
= 1/T; t tВ – tПОВ = 120 – 18 = 102C;

GrPr = 0,7127,5106 = 89,25106; (GrPr) 109;
Nu = 0,5(GrPr)0,25(Pr /Prст)0,25 = 0,5(89,25106)0,25(0,7 /1,05)0,25 = 52,5.


102
= 416,364 Вт/м.
Задача № 6.
Із ємності при температурі Т = 470 К і тиску р1 = 30 бар витікає 1 кг кисню через сопло, яке звужується, в середовище із тиском р2 = 20 бар. Визначити швидкість витікання і масову витрату кисню (кг/с), якщо площа вихідного сопла f = 30 мм.
Розв’язок:
Співвідношення тисків:

Початковий об’єм:

Швидкість витікання:

Масова витрата кисню:

12.Висновки
В даній курсовій роботі на тему “Розрахунок теплової схеми і устаткування блоку 300 МВт” було виконано розрахунки в таких обсягах:
Розраховано процес розширення пари в турбіні:
i0 = 3450 кДж/кг; iпп = 3670 кДж/кг;
i1
=
3100 кДж/кг;
=
3028,8 кДж/кг;
i2
=
3028,8 кДж/кг.
=
2941 кДж/кг;
i3
=
3430 кДж/кг;
=
2343,76 кДж/кг;
i4 = 3190 кДж/кг;
i5 = 3040 кДж/кг;
i6 = 2941 кДж/кг.
i7 = 2820 кДж/кг;
i8 = 2730 кДж/кг;
i9 = 2610 кДж/кг.
Розраховані термодинамічні параметри підігрівників живильної та сітьової води.
Виконано тепловий розрахунок теплофікаційної установки:
tосв=70°C
tпсв=
=150°C
=73°C
=120°C
t'пб= t'4 = 165°C
t'об= t'6 = 125°C
=
i4
=
3190 кДж/кг
=
i6
=
2940 кДж/кг
GСВ = 44,643 кг/с.
=
504 кДж/кг;
=
630 кДж/кг;
=
693 кДж/кг.
GПБП = 2,253 кг/с.
=
306.6 кДж/кг;
=
525 кДж/кг.
GОБДР = 5,744 кг/с.
GОБП = 3,491 кг/с.
iосв= 294 кДж/кг.
iОДДР = 427,071 кДж/кг.
tОДДР = 101,7C.
Визначено витрати пари на підігрівники живильної води:
GПГ = 264 кг/с.
GП1 = 10,974 кг/с; GП2 = 3,215 кг/с; GП3 = 5,289 кг/с;
GП4 = 7,476 кг/с; GП5 = 4,106 кг/с; GП6 = 6,845 кг/с;
GП7 = 17,718 кг/с; GП8 = 24,63 кг/с; GП9 = 14,316 кг/с.
Зроблено тепловий розрахунок турбоприводу живильного насосу:
Рж.н.
= 35,05 МПа;
12,337
МВт.
12,589
МВт;
23,488
кг/с.
Визначено потужність турбіни та електричного генератора:
Nтурб= 351,6 МВт; Nег = 327,5 МВт.
Визначено техніко-економічні показники блоку:
N
= 292,06 МВт; ![]()
. 
Проведено конструкторські та гідравлічні розрахунки бойлерів ТФУ:
; ![]()
![]()
Виконано розрахунок конденсаційної установки:
м2;
;
;
кВт.
Як додаток до курсової роботи розв’язано типові задачі.
13.Список використаної літератури
1. Балахонцев Е.В., Верес А.А. Теплотехника: Методические указания (с программой) и контрольные задания для студентов – заочников инженерно-технических специальностей. – М.: Высш. шк., 1986. – 62 с.
2. Головченко О.М., Налбандян Д.Б. Ігрове проектування енергетичного обладнання: Навчальний посібник для студентів енергетичних спеціальностей. – К.: УМК ВО, 1988. – 233 с.
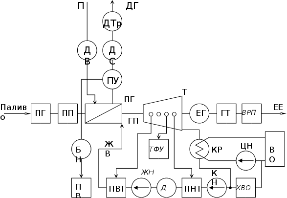
Р
ис.
1. Технологічна
схема ТЕС.
П – повітря; ЕЕ – електроенергія;
ПГ – паливне господарство; ПП – підготовка палива;
ДВ – дуттьовий вентилятор; ПГ – парогенератор;
ДГ – димові гази; ПУ – пилоуловлювачі;
ДС – димосос; ДТр – димова труба;
БГ – багерні насоси; ПВ – пилошлаковідвал;
ГП – гострий пар; Т – турбіна;
ГТ – головний трансформатор; ЕГ – електрогенератор;
КР – конденсатор; ВО – водоохолоджувач;
ЦН – циркуляційний насос; КН – конденсатний насос;
ТФУ – теплофікаційна установка; ХВО – хімводоочистка;
ПНТ – підігрівач низького тиску; Д – деаератор;
ПВТ – підігрівач високого тиску; ЖН – живильний насос;
ВРП – відкритий розподільчий пристрій; ЖВ – живильна вода.
К
-300-240-2 ХТГЗ
ПИТАННЯ НА ІСПИТ
Технологічна схема ТЕС.
Термічні параметри.
Калоричні параметри.
Засоби вимірювання тисків. Схема мембранного дифманометра. Схема манометра МЕД.
Вимірювання витрат. Звужуючи пристрої, ротометри.
Вимірювання температур. Термопари. Компенсаційний метод вимірювань. Схема автоматичного потенціометра КСП4.
Вимірювання температур. Термометри опору. Мостова схема вимірювання опору. Схема автоматичного врівноваженого моста КСМ2.
Вимірювання температур. Схема логометра.
Hагнiтачi. Типи, область застосування, переваги та недоліки об’ємних та лопатевих нагнiтальникiв. Коефiцiєнт швидкохідності.
Унiвеpсальнi характеристики нагнітачів. Перерахунок характеристик лопатевих нагнiтальникi. Унiвеpсальнi характеристики нагнiтальникiв.
Характеристики мереж. Метод накладання характеристик. Вплив змін в мережі на характеристики нагнiтальникiв.
Сумісна робота нагнiтальникiв. Помпаж. Визначення висоти всмоктування. Кавітація.
Термічне рівняння стану ідеального газу. Теплоємність. Термодинамічні параметри.
Перший закон термодинаміки.
Методика дослідження термодинамічних процесів. Iзохоpний, iзобаpний, iзотеpмiчний, адiабатний, полiтpопний процеси.
Другий закон термодинаміки. Прямий та зворотний цикли Каpно.
Реальні гази та пари.
Водяна пара. Процеси пароутворення в Т-S діаграмі. Теплота пароутворення. Міра сухості. Калоричні параметри пари.
H-S (I-S) діаграма водяної пари і процеси в ній.
Цикл Ренкіна і схема ПТУ. ККД циклу Ренкіна. Питома витрата пари та умовного палива.
Вплив початкових та кінцевих паpаметpiв пари на ККД циклу Ренкiна.
Засоби підвищення ефективності циклу Ренкіна. Регенеративний підігрів живильної води. Проміжний перегрів пари. Теплофікація.
Принципова теплова схема ПТУ та методика її розрахунку.
Показники економічності ТЕС.
Палива, їх склад, характеристики.
Кінетика горіння палива. Детонація. Октанове число.
Тверде, рідке, газоподібне паливо.
Визначення витрати повітря на згоряння палива.
Визначення об`ємів продуктів згоряння палива.
Паливне господарство Тес. Схема пилоприготування.
Топки
Пальники
Тепловий баланс котельного агрегату. Складові теплового балансу та єх характеристики.
ККД котла.
Питання експлуатації котла.
Схема котельних установок. Переваги, недоліки схем котлів. Рухаючий напір. Кратність циркуляції.
Схема парогенератора з природною циркуляцією.
Теплова схема прямотокового парогенератора.
Види теплообміну. Теплопровідність. Закон Фур'є.
Конвективний теплообмін. Закон Ньютона-Ріхмана.
Граничний шар. Режими течії.
Основи теорії подібності. Критерії подібності. Теорема подібності. Моделювання.
Тепловіддача при вимушеному русі рідини в трубах.
Тепловіддача при вільному русі вздовж гарячої поверхні.
Тепловіддача при кипінні. Режими кипіння.
Тепловіддача при конденсації.
Теплопередача.
Теплообмінні апарати. Розрахунок трубчастого теплообмінника.
СРС
Теплопередача. Чим відрізняється теплопередача від тепловіддачі? При 1>>2 який коефіцієнт тепловіддачі необхідно збільшити для збільшення коефіцієнту теплопередачі К?
Турбіни. Що таке "міра реактивності" ? Зобразити графік ол=f(U/C) для активного східця тиску. Від яких втрат залежить ол- відносний лопаточний ККД? Пояснити, чому турбіни необхідно виготовляти багатоступінчастими. Для чого служать регулюємо та перегулюємо відбори пари? Що таке турбіна з протитиском?
Зобразити схему i цикл ГТУ, яка працює по циклу Брайтона(p=const) Назвати значення характеристик параметрів сучасних ГТУ: тиск і температуру Газа перед турбіною, коефіцієнт надлишку повітря в камері згоряння, ефективний ККД ГТУ. Переваги і недоліки ГТУ.
Двигуни внутрішнього згоряння ДВЗ .Опишіть робочі процеси карбюраторних і дизельних двигунів, назвіть значення характерних параметрів. Які недоліки та переваги обох типів двигунів, їх області використання.
Які функції карбюратора на двигуні? Зобразити індикаторні діаграми чотирьох- і двохтактних двигунів. Що таке середньоіндикаторний тиск? Що таке надув ДВЗ?
ТЕС, АЕС. Схеми, устаткування, параметри.
Особливості одноконтурних і двоконтурних АЕС. Які параметри пари на АЕС?
Поршневий компресор. Чи можна в односхідцевому компресорі отримати будь який тиск ? Як впливає шкідливий простір на продуктивність компресора?
Холодильні установки. Який параметр характеризує ефективність холодильної установки? Відобразити схему і цикл повітряної холодильної установки. Відобразити схему i цикл паpокомпpесiйної холодильної установки.
Як працює тепловий насос, його схема.
Теплопровідність. Як передається теплота в процесі теплопровідності? Основний закон теплопровідності (закон Фур'є).
Який закони розподілу температур по товщині плоскої та циліндричної стінок? Чи завжди із збільшенням товщини шару ізоляції циліндричної труби тепловий потік через трубу зменшується?
Конвекція. Сформулюйте основний закон тепловіддачі конвекцією (закон H'ютона-Рiхмана). Який критерій характеризує вільну конвекцію? Що характеризує критерій Нуссельта Nu, Рейнольдcа Re?
В чому особливості тепловіддачі при кипінні води і конденсації водяної пари? Критичний тепловий потiк, бульбашковий та плівочний режими кипіння.
Міністерство освіти і науки України
Вінницький державний технічний університет
Факультет ЕЕМ
Кафедра ТЕГІЗБ
Розрахунок теплової
схеми і устаткування
блока 370 МВт
Курсова робота
з дисципліни “Теплоенергетичне устаткування”
Керівник: асист. _______________________________________ О.Ю. Співак
Студент гр. 2ЕСЕ-99 _________________________________ Степлюк М.О.
2001
“ЗАТВЕРДЖУЮ”
Зав. каф. ТЕГІЗБ
проф. ________________ С.Й. Ткаченко
“___” ________________ 2001р.
Завдання до курсової роботи
Розрахувати теплову схему блоку ТЕС потужністю ______ МВт та визначити головні конструктивні характеристики теплофікаційних та конденсаційної установок в обсязі:
1 Розрахувати процес розширення газу в турбіні.
2 Розрахувати термодинамічні параметри підігрівників мережевої та живильної води.
3 Провести тепловий розрахунок теплофікаційної установки.
4 Визначити витрати пари на підігрівники живильної установки.
5 Виконати тепловий розрахунок турбоприводу живильного насосу.
6 Визначити потужність турбіни та електрогенератора.
7 визначити техніко-економічні показники блоку.
8 Виконати конструкторські та гідравлічні розрахунки конденсаційної установки.
9 Виконати конструкторські та гідравлічні розрахунки бойлера теплофікаційної установки.
Чисельні характеристики завдання вказанні в таблиці 1
Таблиця 1
KG |
PПГ, Мпа |
tПГ, С |
tПП, С |
PK, кПа |
QT, МВт |
ТПН |
|
Дата захисту: “____”________________________
Завдання видав: _________________________ О.Ю. Співак
“____”_______________ 2001 р.
Завдання прийняв: ___________________
“____”_______________ 2001 р.
"ЗАТВЕРДЖУЮ"
Зав. каф. ТЕГІЗБ
проф.дтн.________С.Й. Ткаченко
“__”_____________2001р.
Завдання до курсової роботи
Розрахувати теплову схему блоку ТЕС потужністю ____ МВт та визначити головні конструктивні характеристики теплофікаційних та конденсаційної установок в обсязі:
1 Розрахувати процес розширення газу в турбіні.
2 Розрахувати термодинамічні параметри підігрівників мережевої та живильної води.
3 Провести тепловий розрахунок теплофікаційної установки.
4 Визначити витрати пари на підігрівники живильної установки.
5 Виконати тепловий розрахунок турбоприводу живильного насосу.
6 Визначити потужність турбіни та електрогенератора.
7 визначити техніко-економічні показники блоку.
8 Виконати конструкторські та гідравлічні розрахунки конденсаційної установки,
9 Виконати конструкторські та гідравлічні розрахунки бойлера теплофікаційної установки.
Чисельні характеристики завдання вказанні в таблиці 1
Таблиця 1
|
КG |
рііг, МGа |
tпг, °С |
tпп,°С |
РK, кПа |
QT, МВт |
ТЖН |
|
| 1,5 | 26 | 540 | 540 | 5 | 17 | 2-5 |
Дата захисту: “__”_____________ 2001 р.
Завдання видав:_______________ О.Ю.Співак
“__”_____________ 2001р.
Завдання прийняв:_____________ Степлюк М.О.
“__”_____________ 2001р.


