Реферат: Технологические измерения и приборы
При изменении термо-ЭДС Е(
) нулевой прибор включают в
цепь термометра и перемещают движок b до тех пор, пока
указатель нулевого прибора не установится на нулевой отметке шкалы. При
выполнении этого условия падение напряжения на части реохорда Rp
будет равно измеряемой термо-ЭДС Е(
). В этом
случае имеет место равенство
,
где
- сопротивление участка ab.
Компенсационный метод измерения термо-э.д.с. положен в основу принципа действия приборов, которые называются потенциометрами с постоянной силой рабочего тока.
В зависимости
от способа регулирования копенсирующего напряжения потенциометры делятся на
неавтоматические (переносные) и автоматические.
Принцип компенсационного метода, как описывалось выше, основан на уравновешивании (компенсации) измеряемой термо-ЭДС известным напряжением, полученным от рабочего тока строго определенного значения на известном сопротивлении. Принципиальная компенсационная схема уже была рассмотрена (см. рис. 1.3). Она соответствует электрической схеме переносного неавтоматического потенциометра.
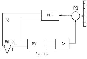
Рассмотрим принцип работы автоматических потенциометров, получивших большое распространение в различных отраслях промышленности, компенсирующее напряжение регулируется не вручную, а автоматически, с помощью реверсивного двигателя. Упрощенная схема автоматического потенциометра представлена на рис 1.4.
Если измеряемая термо-ЭДС
не равна компенсирующему
напряжению
, то сигнал рассогласования
(в виде напряжения
постоянного тока) подается на входное устройство ВУ, представляющее собой
преобразовательный элемент, в котором сигнал рассогласования
преобразуется в
электрический сигнал переменного тока и подается на вход усилителя. Усиленный
сигнал приводит в действие реверсивный двигатель РД. Выходной вал двигателя
вращается в ту или иную сторону в зависимости от полярности сигнала
и через систему
кинематической передачи перемещает движок
реохорда
измерительной системы ИС, изменяя компенсирующее напряжение
до тех пор, пока оно не
станет равным измеряемой термо-ЭДС
. Одновременно
с этим приводится в движение каретка с указателем, перемещающимся относительно
шкалы, и пером самописца. В рассмотренной схеме усилитель помимо своих прямых
функций (усиление сигнала по
напряжению
и мощности) выполняет ещё функцию нуль-прибора.
Автоматические потенциометры
являются техническими общепромышленными приборами высокой точности. Допускаемая
основная погрешность, выраженная в процентах от нормирующего значения, не
превышает
или
.
Шкалы автоматических потенциометров градуированы в градусах Цельсия или в милливольтах. Если шкала прибора градуированна в единицах температуры, на ней указывается тип термоэлектрического термометра. Использование такого прибора с другим термометром недопустимо.
1.2. ТЕРМОМЕТРЫ СОПРОТИВЛЕНИЯ
Термометры сопротивления широко применяют
для измерения температуры в интервале от –260 до 750
С.
В отдельных случаях они могут быть использованы для измерения температур до
1000
С.
В качестве материала для изготовления термометров сопротивления используются как чистые металлы, так и ряд полупроводников.
Действие термометров сопротивления основано на свойстве проводников и полупроводников изменять свое электрическое сопротивление с изменением температуры окружающей их среды.
Известно, что температурный коэффициент электрического сопротивления металлов положительный (сопротивление возрастает при повышении температуры), а полупроводников – отрицательный (сопротивление уменьшается при повышении температуры). Это объясняется различием в их молекулярном строении. Электрическое сопротивление металла увеличивается с повышением температуры в связи с возрастающим рассеянием электронов на неоднородностях кристаллической решетки, обусловленным увеличением тепловых колебаний ионов вокруг своих положений равновесия. Число носителей тока – электронов проводимости – очень велико и не зависит от температуры. У полупроводников с увеличением температуры резко возрастает число электронов проводимости (носителей тока), поэтому электрическое сопротивление резко уменьшается.
Измерение
температуры с помощью электрических термометров сопротивления сводится к
измерению активного сопротивления термометра, что обычно осуществляется
измерением тока в цепи. Измерительная схема состоит из трех элементов:
термометра сопротивления, электроизмерительного прибора для тока и источника
питания.
Металлические термометры сопротивления получившие наибольшее распространение, имеют чувствительный элемент в виде тонкой (диаметром 0,05 мм) проволоки 2, намотанной на слюдяную пластину 1 (или пластмассовый цилиндр) и помещенный в защитный чехол 3 (рис. 2.1). проволоку изготовляют в основном из чистых платины или меди. В соответствии с этим различают термометры сопротивления платиновые (ТСП) и термометры сопротивления медные (ТСМ).
У чистых металлов сопротивление больше, чем у сплавов, поэтому для изготовления термометров сопротивления используют чистые металлы.
Для металлических термометров сопротивления ТСП и ТСМ стандартных градуировок стандартизованы градуировочные таблицы, пользуясь которыми можно определить по измеренному значению сопротивления термометра температуру окружающей его среды и, наоборот, определить сопротивление термометра для различных значений температуры.
Металлические термометры сопротивления имеют следующие достоинства: высокую точность измерения, возможность использования в комплекте с ним измерительных приборов со стандартными шкалами, взаимозаменяемость, возможность централизации контроля температуры путем присоединения нескольких взаимозаменяемых термометров сопротивления через переключатель к одному измерительному прибору, возможность использования их с информационно вычислительными системами.
Для изготовления чувствительных элементов полупроводниковых термометров сопротивления (терморезисторов) применяют смеси различных полупроводниковых веществ: окислов меди и марганца, окислов кобальта и марганца, двуокиси титана и окисла магния и т.д. для измерения низких температур используется германиевый термометр сопротивления.
Чувствительный элемент терморезисторов изготовляют различной формы. Наиболее распространены формы в виде небольшого цилиндра, стержня, шайбы и бусинки. Для предохранения от возможных механических повреждений и вредного воздействия среды, температура которой измеряется, чувствительный элемент покрывают эмалью, помещают в защитный чехол.
На рис. 2.2 а представлен полупроводниковый терморезистор, чувствительный элемент которого выполнен в виде небольшого цилиндрического стержня 8, покрытого эмалевой краской и металлической фольгой 3, с контактными колпачками 2, 4 и выводами 1, 5. снаружи терморезистор защищен чехлом 7, в верхней части которого имеется стеклянный изолятор 6.
На рис. 2.2, б
показан терморезистор, у которого чувствительный элемент 1 выполнен в виде
шарика диаметром 0,5 мм, защищенного стеклянной оболочкой 4. В шарик
вмонтированы платиновые электроды 2, соединенные с выводами 3.
Для выпускаемых промышленностью
полупроводниковых терморезисторов (ПТР) зависимость их сопротивления от
температуры, не превышающей 100
С, определяется
по формуле:
,
где
- сопротивление термометра
при температуре Т, выраженной в кельвинах; А, В и b –
постоянные коэффициенты, зависящие от материала термометра и его конструкции.
К достоинствам полупроводниковых термометров сопротивления относятся: большая чувствительность, которая примерно на порядок выше чувствительности металлических термометров сопротивления; малая инерционность, что имеет существенное значение для исследования нестационарных тепловых процессов; большое сопротивление (от единиц до сотен килоом), позволяющее не учитывать при измерении температуры изменение сопротивления соединительных проводов при изменении температуры окружающей среды.
Однако полупроводниковые терморезисторы имеют и ряд существенных недостатков, препятствующих широкому распространению их на производстве. К ним в первую очередь относится большой разброс температурных даже внутри одного и того же типа (значительно отличаются номинальные значения сопротивлений и температурные коэффициенты для термометров одного и того же типа). Это исключает взаимозаменяемость и возможность получения градуировочной таблицы для определенного типа полупроводниковых терморезисторов. Каждый экземпляр терморезистора, предназначенный для измерения и сигнализации температуры, необходимо градуировать индивидуально. К другим недостаткам относятся нелинейность зависимости электрического сопротивления от температуры и малая допустимая мощность рассеивания при прохождении измерительного тока.


